EasyManua.ls Logo

Fluke PM6685 - Page 19

Fluke PM6685
94 pages
Print Icon
To Next Page IconTo Next Page
To Next Page IconTo Next Page
To Previous Page IconTo Previous Page
To Previous Page IconTo Previous Page
Loading...
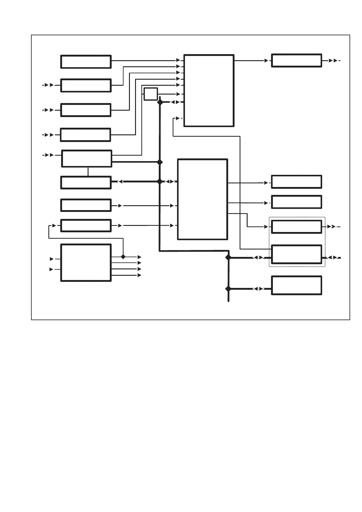
Block Diagram Description 4-3
Local preset
Optional oscillator
External arming
External reference
HF input
Input Amplifier
Reset circuit
Power supply
90-265 V
Micro-
computer
Counter
ASIC
10 MHz out
Gate LED
Display
Analog output
GPIB option
Keyboard
+7V
+5V
-5.2V
A
C
IC
2
PWM
E
C
D
A
G
RESET
U11
HSI.0
X2
EXTC
B2
EXTREF
A
A2
U29
GET
Trigger DAC´s
INTREF
÷2
+12V
Option 80
Fig. 4-1 PM6685 block diagram.

Other manuals for Fluke PM6685