EasyManua.ls Logo

Frick RXB PLUS - Page 54

Frick RXB PLUS
66 pages
Print Icon
To Next Page IconTo Next Page
To Next Page IconTo Next Page
To Previous Page IconTo Previous Page
To Previous Page IconTo Previous Page
Loading...
RXB PLUS ROTARY SCREW COMPRESSOR UNITSS70-101 IOM
Page 54
11
01
31
21
11
1
19
29
7
30
29
30
20
22
21
23
24
28
REMOTE LOAD
REMOTE START/RUN/STOP
38
39
5
37
36
35
34
33
REMOTE UNLOAD
(N.O. HELD CLOSED)
1LSL
COMPR. AUX
32
30
OIL PUMP AUX
29
28
27
26
*
FROM LN.15
(OOX)
B
19
*
25
24
23
22
20
1
18
17
FU1
20
2
22
3
FU2
19
FU3
21
FU5
24
4
26
5
FU4
23
25
28
6
27
FU6
REMOTE UNLOAD
LIQUID INJECTION
PRESSURE REGULATOR
(ONLY ON BOOSTERS
WITH LIQ INJ)
REMOTE LOAD
REMOTE START/RUN/STOP
OIL LEVEL
(NOT REQUIRED WITH
FULL-LUBE OIL PUMP)
1
2
2
4
1
3
6
3
8
4
5
7
2
COMPRESSOR AUX
OIL PUMP AUX
AUX 1 (SEE NOTE B)
AUX 2 (SEE NOTE B)
COMPR. RUN TIME METER
COMPR. START/RUN
60
DECREASE TO 2.2 Vi
LIQUID INJECTION (IF REQ'D)
HI VI LIQ INJ (IF REQ'D)
ECONOMIZER (IF REQ'D)
ALARM (PRE & CUTOUT)
RELAY &/OR LAMP OPTIONAL
DECREASE TO 3.5 Vi
SLIDE VALVE LOAD
SHOWN W/SOL ON COMPR
<a> COIL W/SOL ON BASE
SLIDE VALVE UNLOAD
SHOWN W/SOL ON COMPR
<b> COIL W/SOL ON BASE
5
10
12
6
9
11
14
7
16
8
13
15
12
13
14
15
16
17
38
CR
SEE
NOTE C
2
<a>COIL
<b>COIL
FOR DIGITAL I/O
CUSTOMER SUPPLIED 120 VAC CONTROL TRANSFORMER POWER SOURCE IS REQUIRED
ALL POWER SOURCES SHALL BE GROUNDED ON ONE SIDE
-ISOLATED AND SEPARATED FROM OTHER INDUCTIVE LOADS SUCH AS LIGHTING CIRCUITS
-OR FROM FRICK SUPPLIED OR SPECIFIED STARTER, USE MINIMUM #12 AWG FOR FEED
IF SEPARATE FEED FOR HEATER CIRCUIT IS DESIRED,
REMOVEJUMPERS1TO1A&2TO2A&CONNECT
A SEPARATE 120 VAC SOURCE TO 1A & 2A
12
18
17
16
15
14
13
FU10
32
8
FU7
FU8
31
10
34
9
36
FU9
33
35
12
11
38
40
FU11
B
37
39
13
42
41
FU12
FU13
10
09
#14 RED
2FU
07
10
08
5
06
15
14
44
46
FU14
43
FU15
45
16
SBC TERMINALS
48
FU16
47
6
STOP
EMERGENCY
05
04
03
02
1A FU
1FU
15
1A
15
25A
25
1
PROGRAMMABLE CONTROL
DATA CODE BIT 3
OIL PUMP START/RUN
63
OIL HEATER
3, 4
ALL NEUTRAL (EXP: 2 & 2A)
WIRING TO BE WHITE
EXCEPT WHERE NOTED
ALL HEATER WIRING
TO BE #14 AWG
SEPARATOR OIL HEATER(S)
5KWHTR'S
1 KW HTR'S OPTIONAL
PROGRAMMABLE CONTROL
DATA CODE BIT 2
PROGRAMMABLE CONTROL
DATA CODE BIT 1
PROGRAMMABLE CONTROL
DATA CODE BIT 0
SPARE
33
10
7
39
35
9
34
*
CR
CR
3
*
32
31
OIL PUMP
HAND
AUTO
(XOO)
(OOX)
TO LN. 30
OFF
*
39
26
27
2A
2
NEUTRAL
HOT
1CR
1CR
HOT
ADD 1A FU FOR 115V-1KW HTR
FOR (2) 115V-1 KW HTR'S,MOVE
WIRE TO 1A FU & NUMBER 25A
NEUTRAL
GROUND BAR IN MICRO
EARTH BUSBAR AT
POWER SOURCE
TIE NEUTRAL TO GROUND
AT SOURCE
ALL NEUTRALS ENTERING
THIS ENCLOSURE SHALL
BE TIED TOGETHER AT
SOURCE, NOT IN THIS
ENCLOSURE
HEATER
HEATER
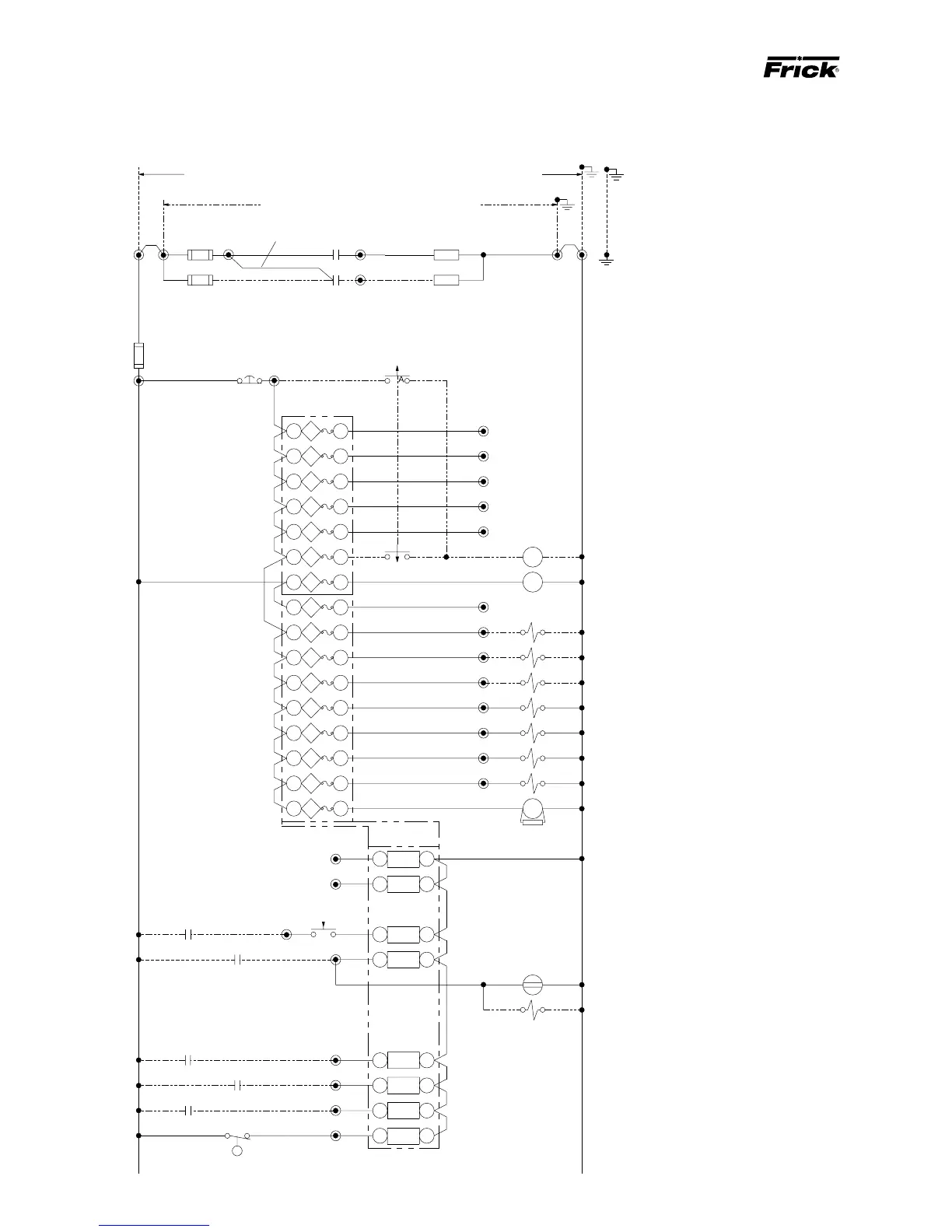
RXBELD1
MICRO PANEL ASSEMBLY WIRING DIAGRAM
MAINTENANCE

Table of Contents

Related product manuals