EasyManua.ls Logo

Frick RXB PLUS - P and I Diagrams

Frick RXB PLUS
66 pages
Print Icon
To Next Page IconTo Next Page
To Next Page IconTo Next Page
To Previous Page IconTo Previous Page
To Previous Page IconTo Previous Page
Loading...
RXB PLUS ROTARY SCREW COMPRESSOR UNITSS70-101 IOM
Page 58
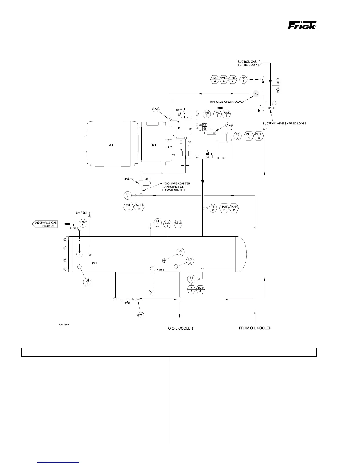
P & I DIAGRAM, Models 12, 15, & 19 w/Full-Lube Oil Pump
MAINTENANCE
AC AUTO CYCLE
C COMPRESSOR
CC CAPACITY CONTROL
DTA HIGH DISCHARGE TEMPERATURE ALARM
DTCO HIGH DISCHARGE TEMPERATURE CUTOUT
F FILTER
HPA HIGH DISCHARGE PRESSURE ALARM
HPCO HIGH DISCHARGE PRESSURE CUTOUT
HTA HIGH OIL TEMPERATURE ALARM
HTCO HIGH OIL TEMPERATURE CUTOUT
HTR HEATER
HV HAND VALVE
LICO LIQUID INJECTION REFRIGERANT CUTOUT
LLCO LOW OIL SEPARATOR LEVEL CUTOUT
LPA LOW SUCTION PRESSURE ALARM
LPCO LOW SUCTION PRESSURE CUTOUT
LSL LEVEL SWITCH
LTA LOW OIL TEMPERATURE ALARM
LTCO LOW OIL TEMPERATURE CUTOUT
MMOTOR
MLC MOTOR LOAD CONTROLLER
NV NEEDLE VALVE
OF OIL FILTER
OHTR OIL HEATER TEMPERATURE SWITCH
OPA LOW OIL PRESSURE ALARM
OPCO LOW OIL PRESSURE CUTOUT
P PUMP
PE PRESSURE INDICATOR
PM PUMP MOTOR
PSV HIGH PRESSURE SAFETY VALVE
SG SIGHT GLASS
STR STRAINER
SV SOLENOID VALVE
TE TEMPERATURE ELEMENT
TW THERMOWELL
V VESSEL
LEGEND (Covers P & I diagrams pages 58 60) See page 59 for additional notes

Table of Contents

Related product manuals