EasyManua.ls Logo

Fuji Electric frenic mini series - Page 162

Fuji Electric frenic mini series
306 pages
To Next Page IconTo Next Page
To Next Page IconTo Next Page
To Previous Page IconTo Previous Page
To Previous Page IconTo Previous Page
Loading...
8.4 Terminal Specifications
8-15
Chap. 8 SPECIFICATIONS
Classifi-
cation
Symbol Name Functions
Related
function
codes
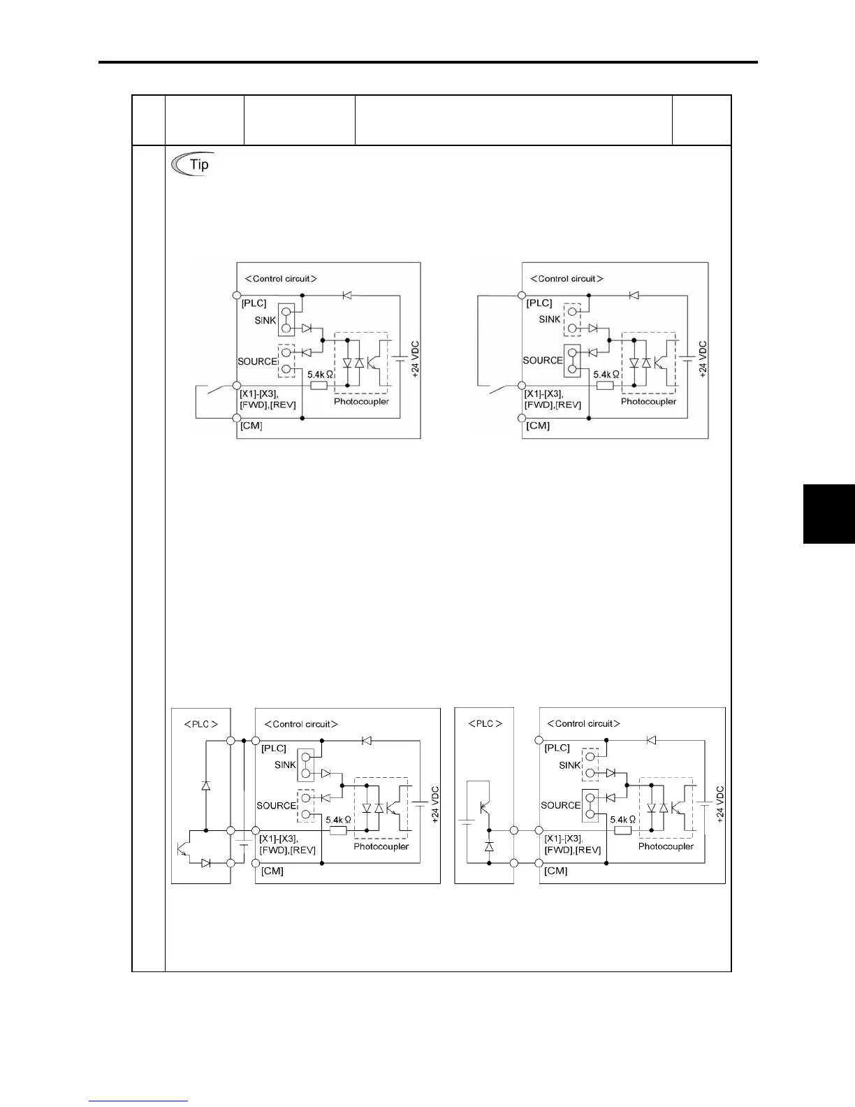
Turning ON or OFF [X1], [X2], [X3], [FWD], or [REV] using a relay contact
Figure 8.3 shows two examples of a circuit that turns ON or OFF control signal input
[X1], [X2], [X3], [FWD], or [REV] using a relay contact. Circuit (a) has a connecting
jumper applied to SINK, whereas circuit (b) has it applied to SOURCE.
NOTE: To configure this kind of circuit, use a highly reliable relay
(Recommended product: Fuji control relay Model HH54PW.)
(a) With a jumper applied to SINK (b) With a jumper applied to SOURCE
Figure 8.3 Circuit Configuration Using a Relay Contact
Turning ON or OFF [X1], [X2], [X3], [FWD], or [REV] using a programmable
logic controller (PLC)
Figure 8.4 shows two examples of a circuit that turns ON or OFF control signal input
[X1], [X2], [X3], [FWD], or [REV] using a programmable logic controller (PLC). Circuit
(a) has a connecting jumper applied to SINK, whereas circuit (b) has it applied to
SOURCE.
In circuit (a) below, short-circuiting or opening the transistor's open collector circuit in
the PLC using an external power source turns ON or OFF control signal [X1], [X2], [X3],
[FWD], or [REV]. When using this type of circuit, observe the following:
Connect the + node of the external power source (which should be isolated from the
PLC's power) to terminal [PLC] of the inverter.
Do not connect terminal [CM] of the inverter to the common terminal of the PLC.
Digital input
(a) With a jumper applied to SINK (b) With a jumper applied to SOURCE
Figure 8.4 Circuit Configuration Using a PLC
For details about the jumper setting, refer to the FRENIC-Mini Instruction Manual, Chapter 2, Section
2.3.8 "Switching of SINK/SOURCE (jumper switch)."

Table of Contents

Other manuals for Fuji Electric frenic mini series

Related product manuals