EasyManua.ls Logo

Fuji Electric frenic mini series - 4.2 Drive Frequency Command Generator

Fuji Electric frenic mini series
306 pages
Print Icon
To Next Page IconTo Next Page
To Next Page IconTo Next Page
To Previous Page IconTo Previous Page
To Previous Page IconTo Previous Page
Loading...
4-2
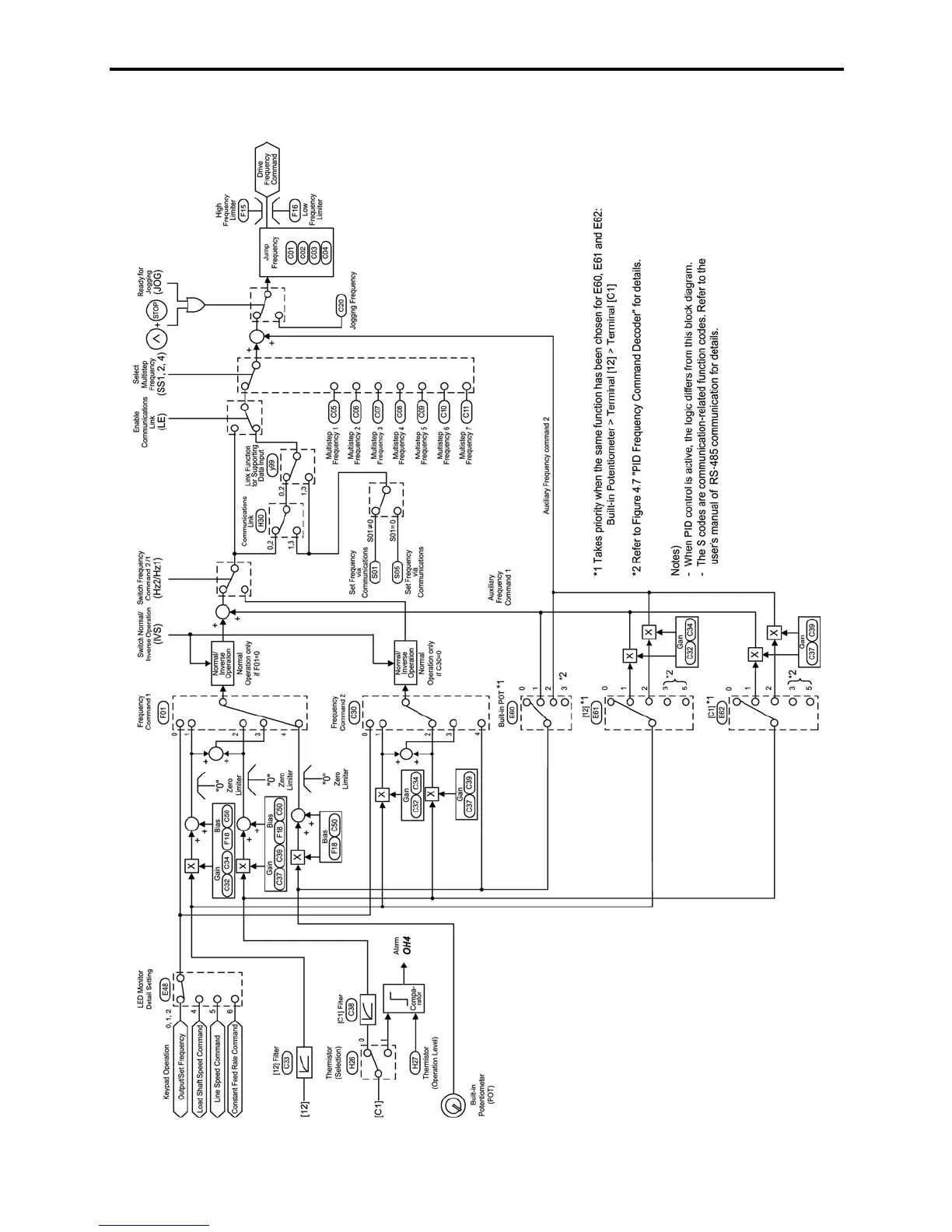
4.2 Drive Frequency Command Generator
Figure 4.1 Block Diagram for Drive Frequency Command Generator

Table of Contents

Other manuals for Fuji Electric frenic mini series

Related product manuals