EasyManua.ls Logo

Fuji Electric frenic mini series - Page 269

Fuji Electric frenic mini series
306 pages
To Next Page IconTo Next Page
To Next Page IconTo Next Page
To Previous Page IconTo Previous Page
To Previous Page IconTo Previous Page
Loading...
A-8
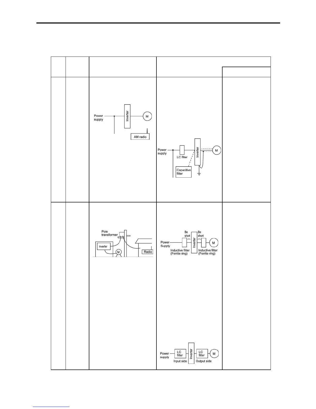
[ 3 ] Noise prevention examples
Table A.2 lists examples of the measures to prevent noise generated by a running inverter.
Table A.2 Examples of Noise Prevention Measures
No.
Target
device
Phenomena Noise prevention measures
Notes
1
AM
radio
When operating an inverter,
noise enters into an AM radio
broadcast (500 to 1500 kHz).
<Possible cause>
The AM radio may receive
noise radiated from wires at
the power supply and output
sides of the inverter.
1) Install an LC filter at the
power supply side of the
inverter. (In some cases, a
capacitive filter may be
used as a simple method.)
2) Install a metal conduit
wiring between the
motor and inverter. Or
use shielded wiring.
Note: Minimize the distance between
the LC filter and inverter as much as
possible (within 3.3ft (1m)).
1) The radiation
noise of the
wiring can be
reduced.
2) The conduction
noise to the
power supply
side can be
reduced.
Note: Sufficient
improvement may
not be expected in
narrow regions such
as between
mountains.
2
AM
radio
When operating an inverter,
noise enters into an AM radio
broadcast (500 to 1500 kHz).
<Possible cause>
The AM radio may receive
noise radiated from the power
line at the power supply side
of the inverter.
1) Install inductive filters at
the input and output sides
of the inverter.
The number of turns of
the zero-phase reactor (or
ferrite ring) should be as
large as possible. In
addition, wiring between
the inverter and the
zero-phase reactor (or
ferrite ring) should be as
short as possible. (within
3.3ft (1m))
2) When further
improvement is
necessary, install LC
filters.
1) The radiation
noise of the
wiring can be
reduced.

Table of Contents

Other manuals for Fuji Electric frenic mini series

Related product manuals