EasyManua.ls Logo

Fuji Electric frenic mini series - Page 76

Fuji Electric frenic mini series
306 pages
To Next Page IconTo Next Page
To Next Page IconTo Next Page
To Previous Page IconTo Previous Page
To Previous Page IconTo Previous Page
Loading...
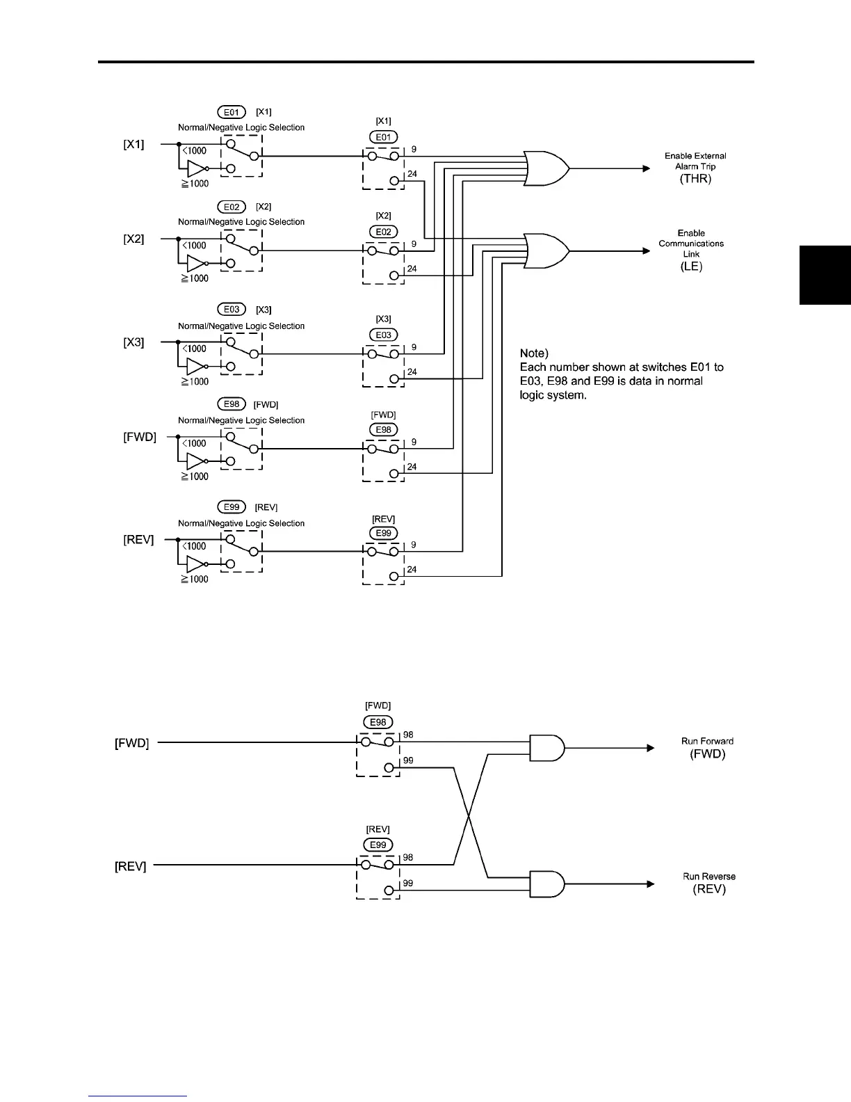
4.4 Terminal Command Decoders
4-7
Chap. 4 BLOCK DIAGRAMS FOR CONTROL LOGIC
Figure 4.3 (b) Terminal Command Decoder (Terminal Signal Inputs)
Figure 4.3 (c) Terminal Command Decoder (Terminal Signal Input Excluding Negative Logic)

Table of Contents

Other manuals for Fuji Electric frenic mini series

Related product manuals