EasyManua.ls Logo

GE LOGIQ E9 - Page 756

GE LOGIQ E9
808 pages
Print Icon
To Next Page IconTo Next Page
To Next Page IconTo Next Page
To Previous Page IconTo Previous Page
To Previous Page IconTo Previous Page
Loading...
GE
D
IRECTION 5535208-100, REV. 2 LOGIQ E9 SERVICE MANUAL
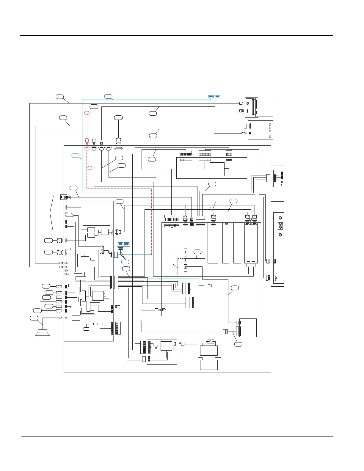
9 - 94 Section 9-17 - Internal Cables
9-17-5 Back End Processor (BEP) cables (cont’d)
NOTE: Figure 9-13 "Back End Processor (BEP) cables - BEP5.x (MRX, R3.1.2 and later)" on page 9-
94 is identified in color to simplify the differences between R2.x.x and earlier and R3.x.x and
later (MRX). Red represents R2.x.x and blue represents R3.x.x (MRX).
Figure 9-13 Back End Processor (BEP) cables - BEP5.x (MRX, R3.1.2 and later)
P
I
H
BB
Q
D4
D4
D2
D1
L
uBTX
MOTHERBOARD
BEP
SATA3
DC-DC
CONVERTERS
& SEQUENCE
LOGIC
48V, 5Vstby
PS_ON#
48V_OK
AC_FAIL#
48V,+12V
+5V,+5Vstby
BEP PWR
SUPPLY
MAIN
POWER
12V
POWER
USB 1,2,3,4
+ LED’S
PS_ON#, PWROK
+12V, -12V + 5V
3.3V, 5Vstby
FRONT
PANEL
MODULE
16X PCI EXPRESS
SPARE PCI EXPRESS x4
DIGITAL
VIDEO CARD
DVI-I IN
PCI
DVR
(OPTIONAL)
PCI EXPRESS
DVI-I OUT
AUDIO IN
PCI
SPARE PCI
10/100/
1000MbT
MOTHERBOARD
ANALOG VIDEO
10/100bT
AUDIO L
AUDIO R
EXT USB 2
EXT USB 1
DVI-I OUT
DOP
DOP
AUDIO
REAR
PANEL
PATIENT I/O
(BT2010 or later
OPTION)
USB
CN5
DVD 1
SATASATA PWR
SATA2
SATA1
SATA0
BAYBIRD
(VGU
OPTION)
HARD
DRIVE
SATA SATA PWR
CN18
USB
5,6,7,8
PCI
PCI
EXPRESS x1
EXPRESS x1
AUDIO IN
L,R,CENTER AUDIO OUT,
ON/OFF SW,
PWR LED
M
Z
K
Y
6
5
1
3
9
8
7
Na
Na
2
10
12
11
IF NO
DVR
IF NO
DVR
CN4
CN21
CN1
ATX 2
J3
J3
ATX 1
J1
J2
J3
J4
J46
POWER
DVD
HOST
DVD ADAPT PWA
USB
POWER
EPS
BOARD
12V
BATTERY
+
-
12V
BATTERY
+
-
V SENSE
DC-DC
CONVERT
ER
48V IN
48V OUT
CONTROL
20A
OPTION
KEY
4
J5
J5
Na
Na
Na
Na
A
J1
J2
to/from BEP
to/from BEP
A
J2
J1
DVI-D
DVI-D
TX
DVI-A
J20
J44
J42
J43
J40
J41
+12V
+12V
RX
DVI-D
TX
USB HUB 1
USB HUB 2
AUDIO
AMP
AUDIO
AMP
USB Micro
Controller
(IO Ports
&VPD
USB 5
USB 8
U
SB
7
B
SCAN
+5stby
48V
LR
AUDIO
OUT
ON/OFF SW,
PWR LED
I/O B O A R D
+5V
+12V
+5V +12V 48V
+3.3V
J21
J22
J29
J100
J30
J31
J32
J28
J27
J25
J26
J33
+5stby
J36
J35
J34
USB HUB 3
J12
J14
J7
REG
+12V
+5V
USB 6
CENTER AUDIO OUT
+5V
I2C
XFMR
XFMR
J
Red indicates GFI Configuration
Blue indicates MRX

Table of Contents

Other manuals for GE LOGIQ E9

Related product manuals