EasyManua.ls Logo

GE LOGIQ E9 - Page 757

GE LOGIQ E9
808 pages
Print Icon
To Next Page IconTo Next Page
To Next Page IconTo Next Page
To Previous Page IconTo Previous Page
To Previous Page IconTo Previous Page
Loading...
GE
D
IRECTION 5535208-100, REV. 2 LOGIQ E9 SERVICE MANUAL
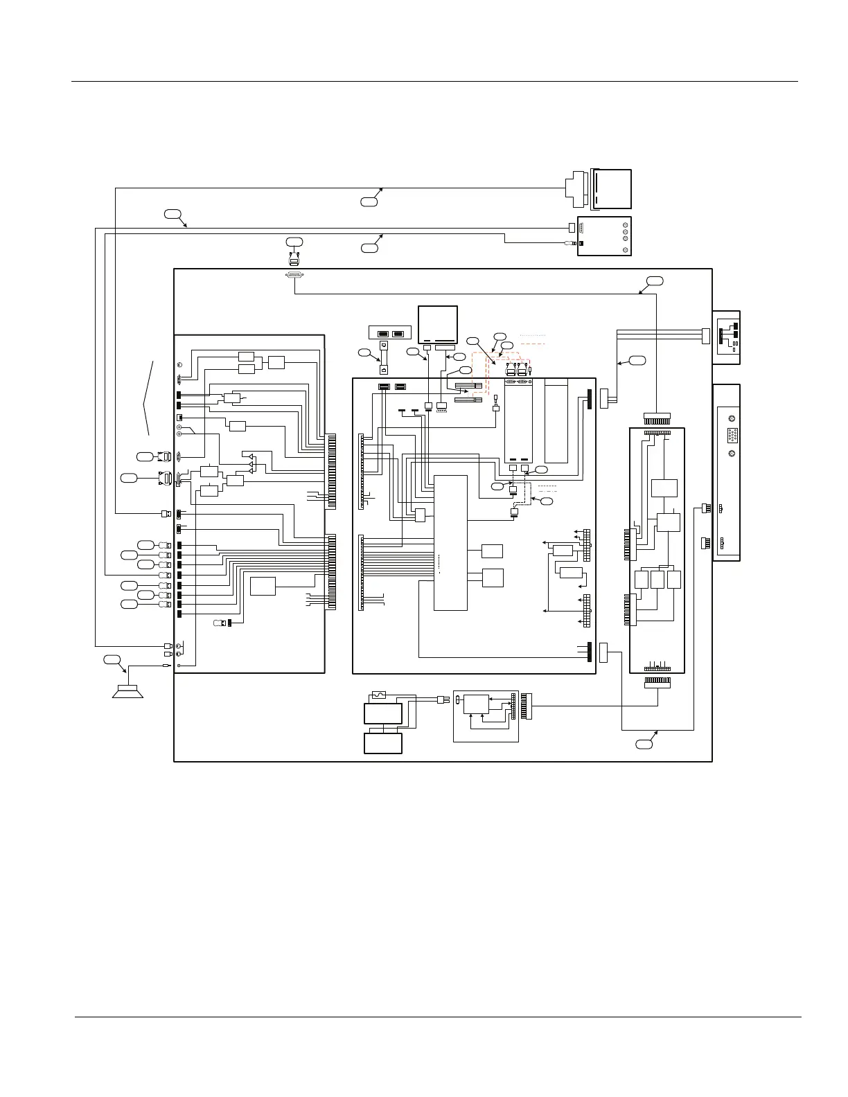
Chapter 9 Renewal Parts 9 - 95
9-17-5 Back End Processor (BEP) cables (cont’d)
Figure 9-14 Back End Processor (BEP) cables - BEP6.x (R4.x and later)
+12V
BEP 6.1
100/1000bT
POWERBOARD
FRONT I/O
DVI-D
RX
DVI-D
TX
DVI-D
TX
AUDIO L
AUDIO R
EXT USB 2
EXT USB 1
DVI-I OUT
AUDIO
AMP
+5stby
48V
ON/OFF SW, PWR LED
SIDE I/O BOARD
+5V
+12V
GFI
AUDIO
SVGA
J21
J22
J29
J27
J30
J25
J4
J12
J14
J33
J44
J42
J43
J40
J41
REAR
PANEL
J26
PATIENT IO
(BT10
OPTION)
USB
DVD 1
SATASATA PWR
BAYBIRD
(VGU
OPTION)
M
Z
P
I
Y
J1
J46
POWER
USB
POWER
CHARGEBOARD
12V
BATTERY
+
-
12V
BATTERY
+
-
CHARGER
48V
5vDUAL
AC FAIL
20A
OPTION KEY
R4 ONLY
J7
J28
J100
USB Micro
Controller
(IO Ports
&VPD
DVI-D
FET
+5V
CODEC
+12V
AUDIO
AMP
USB PWR ENABLE
OC DETECT
USB #H3
USB #H4
USB 0
SATA #3
SATA #2
TO DVR
DIGITAL AUDIO (FUTURE)
+3.3V
+5V
+5V STBY
+5V
+12V
+48V
+28V BATT
LAN
CTRL
USB 13
USB 1
USB 2
USB 3
USB 4
USB 5
USB 6
USB 7
USB 9
48v TO 28v
CONVERT
28v
TO
12v
28v/BAT
SOURCE
SELECT
28v
TO
5v
28v
TO
3.3v
Vbat
Vbat
5vDUAL
5V STBY
ACFAIL
48V
ACFAIL
48V
Vbat
5vDUAL
48V
+12V
+12V
J3
J2
S-VIDEO
OUT
(OPTION)
J30
MOTHERBOARD
CN
SATA4
USB 1,2
+ LED’S
16X PCI EXPRESS
SPARE
DVI-I IN
PCI
DVR
(OPTIONAL)
DVI-I OUT
AUDIO IN
CN IO 1
CN
SATA6
CN SATA3
CN
SATA0
HARD
DRIVE
SATA SATA PWR
PCIE x1
without DVR
CN F101
HOST
DVD
PCH
CN IO 2
5vDUAL
POWER
5V STBY
+5V
3.3vDUAL
POWER
3.3vDUAL
+12V
+3.3V
ACFAIL
48V
Mini PCIe
IPASS1
IPASS2
+5V
+12V
+48V
Patient IO
+5V
+12V
cFast
HUB
+3.3V
+5V
+5V STBY
with DVR
CN DV12
CN DV11
CN AUDIO1
SATA2
SATA3
SATA4
SATA0
SATA5
CN SATA5
CN PWR1
CN PWR2
CN USB11
PCIe L6
USB8
POWER ON/OFF
USB0
USB10
USB9
USB13
USB7
USB12
PCIe L8
PCIe L5
SATA0
8
9
9
without DVR
with DVR
2
1
A
J1J2
7
11
4
3
5A
5
6
J
H
L
Q
BB
D4
D4
D2
D1

Table of Contents

Other manuals for GE LOGIQ E9

Related product manuals