EasyManua.ls Logo

Generic Race 50 - Page 67

Generic Race 50
209 pages
Print Icon
To Next Page IconTo Next Page
To Next Page IconTo Next Page
To Previous Page IconTo Previous Page
To Previous Page IconTo Previous Page
Loading...
66
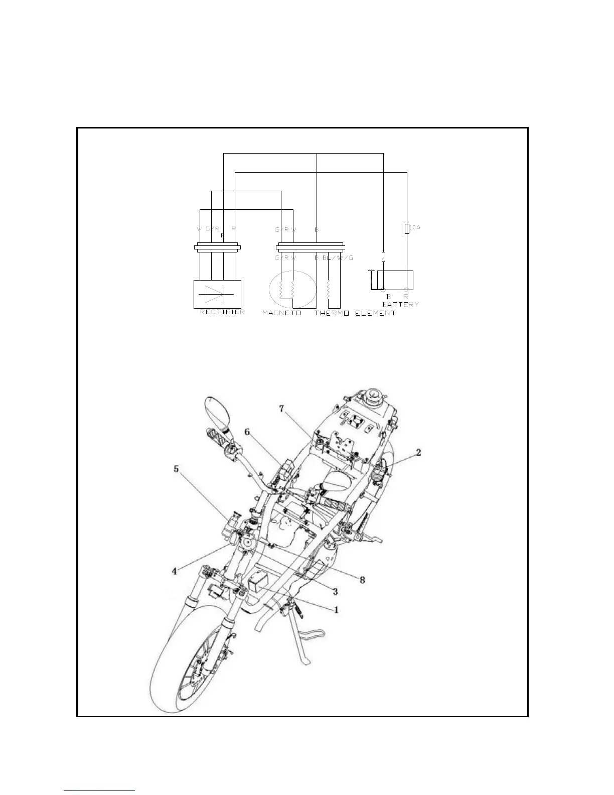
Charging system

Table of Contents

Related product manuals