EasyManua.ls Logo

Generic Race 50 - Page 90

Generic Race 50
209 pages
Print Icon
To Next Page IconTo Next Page
To Next Page IconTo Next Page
To Previous Page IconTo Previous Page
To Previous Page IconTo Previous Page
Loading...
89
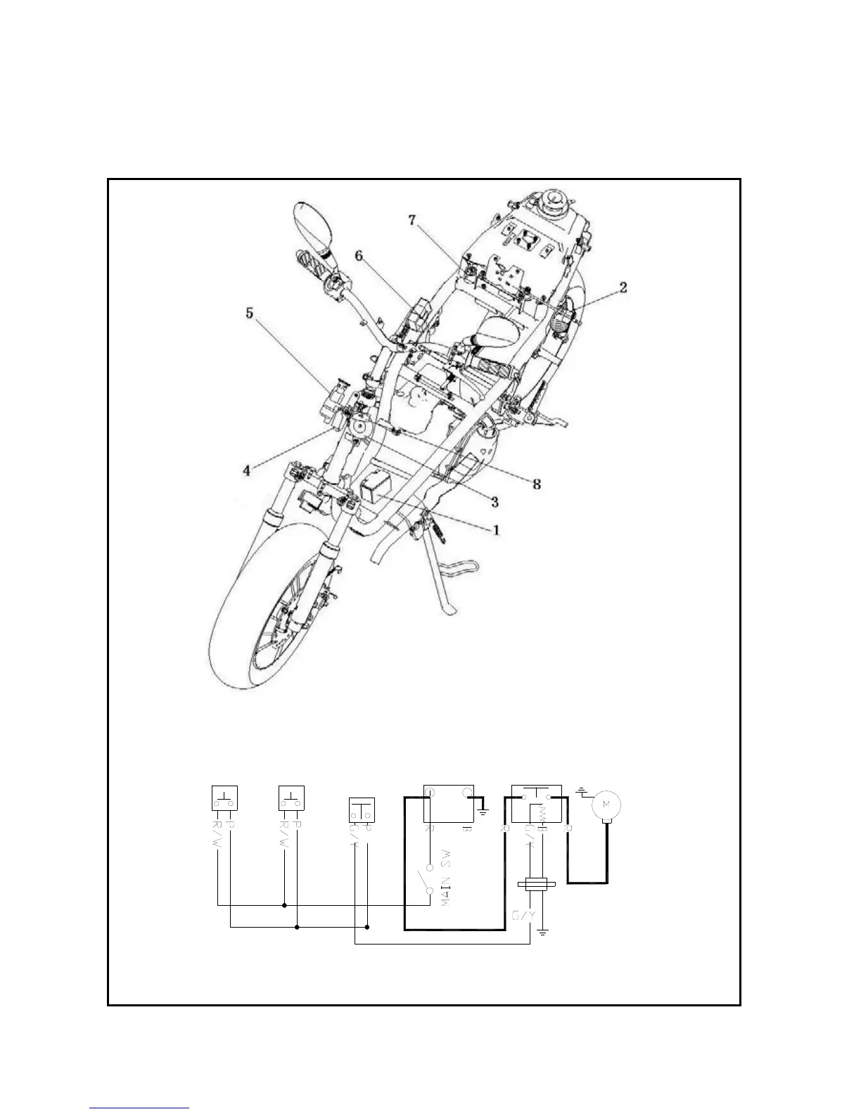
启动示意图
BATTERY
RE L A Y
BRAKE SWITCHBRAKE SWITCH
STARTER SWITCH
STARTOR MOTOR
Startup system
Startup diagram

Table of Contents

Related product manuals