EasyManua.ls Logo

Graco PrecisionSwirl - DGM Digital Outputs

Graco PrecisionSwirl
150 pages
Print Icon
To Next Page IconTo Next Page
To Next Page IconTo Next Page
To Previous Page IconTo Previous Page
To Previous Page IconTo Previous Page
Loading...
Appendix B - Discrete Gateway Module (DGM) Connection Details
126 3A2098S
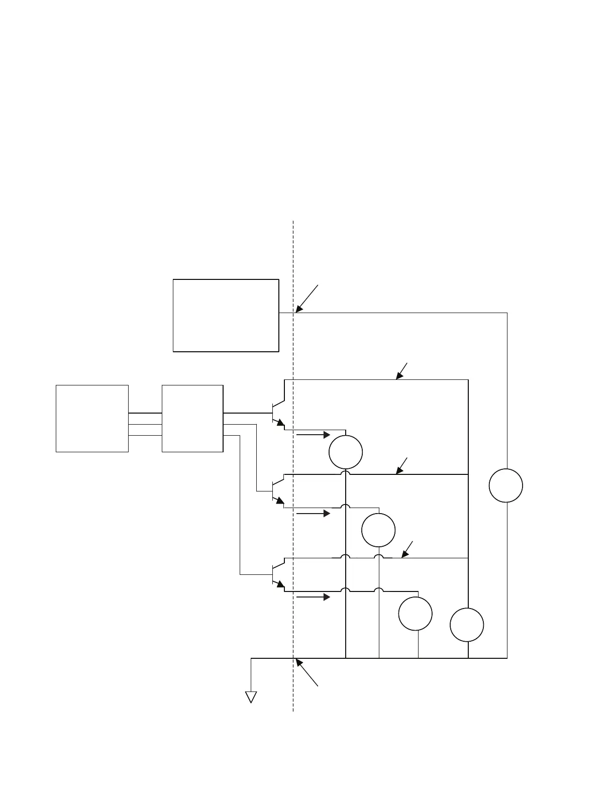
DGM Digital Outputs
The digital outputs function only when power is supplied to pins 27, 68, and 69 and there is a ground connection to
pin 70. See Pin References, page 124, for details. The digital output is rated at 0-30 Vdc, and requires an NEC
Class 2 power supply connected to pin 27 for supply bank 1, pin 69 for supply bank 2, and pin 68 for supply bank 3.
The DGM provides optical isolation as shown in the following illustration.
Pins: 9-20, 28-39
Type: Sourcing
Maximum continuous current output: 350 mA
(sourced from customer supply)
Recommended continuous current: 100 mA
Microcontroller
Discrete Gateway
Optical
Isolator
Isolated Logic ICs
24VDC24VDC
D-Sub Pin 51 (Isolated
Logic Supply)
D-Sub Pin 70
(Isolated Ground)
Customer Automation
24VDC24VDC
LOADLOAD
LOADLOAD
LOADLOAD
Digital Output
Supply Bank 1
Digital Output
Supply Bank 2
Digital Output
Supply Bank 3
D-Sub
Pin 27
D-Sub
Pin 69
D-Sub
Pin 68
Digital
Output 1-8
Digital
Output 9-16
Digital
Output 17-24

Table of Contents

Related product manuals