EasyManua.ls Logo

Gree GMV-S280W/A-X

Gree GMV-S280W/A-X
391 pages
To Next Page IconTo Next Page
To Next Page IconTo Next Page
To Previous Page IconTo Previous Page
To Previous Page IconTo Previous Page
Loading...
GMV5 Home DC Inverter Multi VRF Units
53
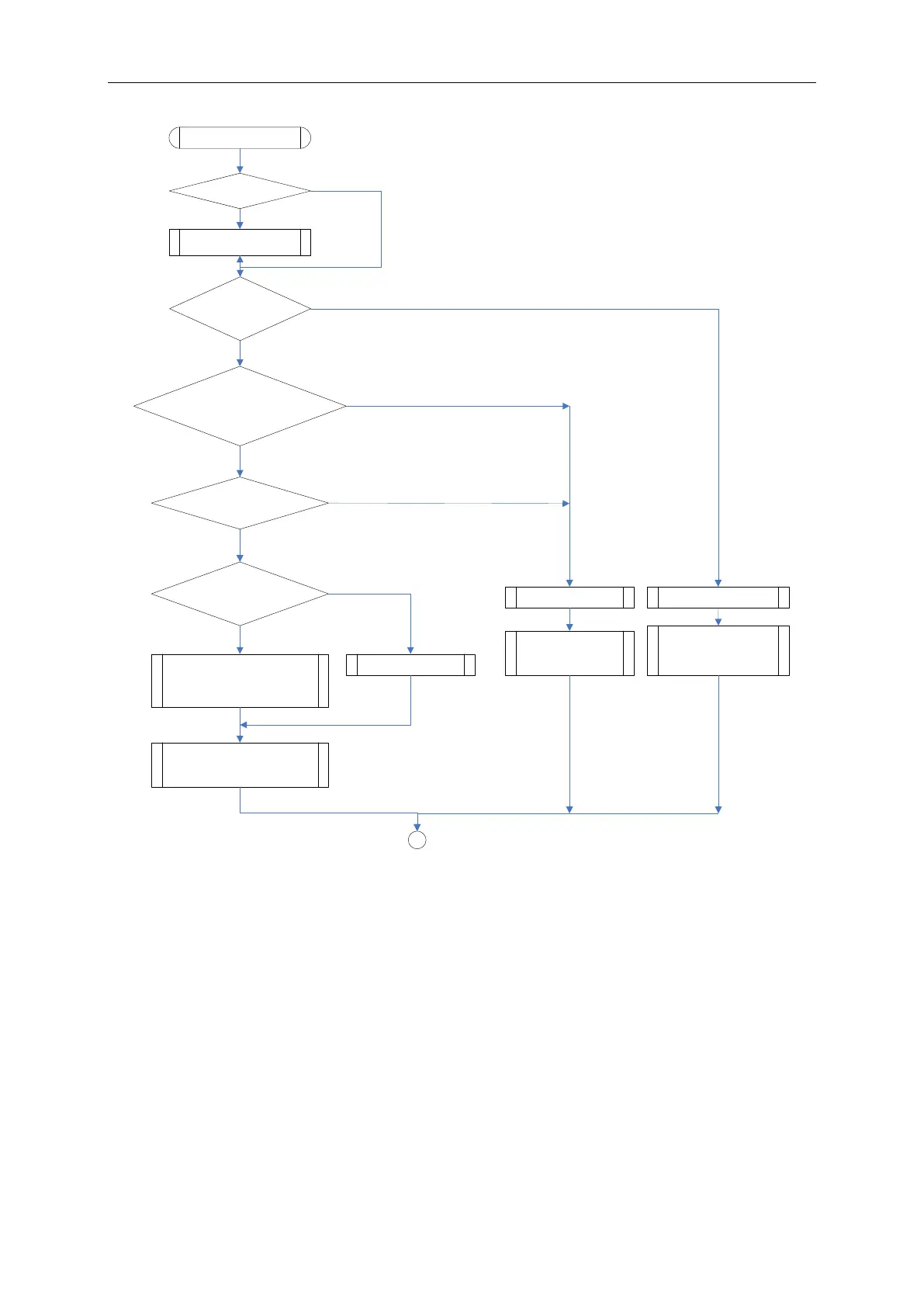
Heating Operation
Heating Operation
Guide Louver
Guide Louvers
Swing
In The Operation
Of Defrosting?
In The Process Of
Preventing Restart
Operation? (3 Minutes)
Temperature
Adjustment?
Fan Motor:
As Per Set Air Supply
Speed
In The Process Of
Preventing Cold Air?
Electronic Expansion
Valve: Capacity Control
Fan Motor: Stop
Fan Motor: Stop
Electronic
Expansion Valve:
Close
Fan Motor: Stop
Electronic
Expansion Valve:
Defrosting Control
There Is
There Is Not
Yes
Yes
Yes
Yes
No
No
No
No
A

Table of Contents

Related product manuals