EasyManua.ls Logo

Haier AB072MRERA - Page 492

Haier AB072MRERA
651 pages
Print Icon
To Next Page IconTo Next Page
To Next Page IconTo Next Page
To Previous Page IconTo Previous Page
To Previous Page IconTo Previous Page
Loading...
484
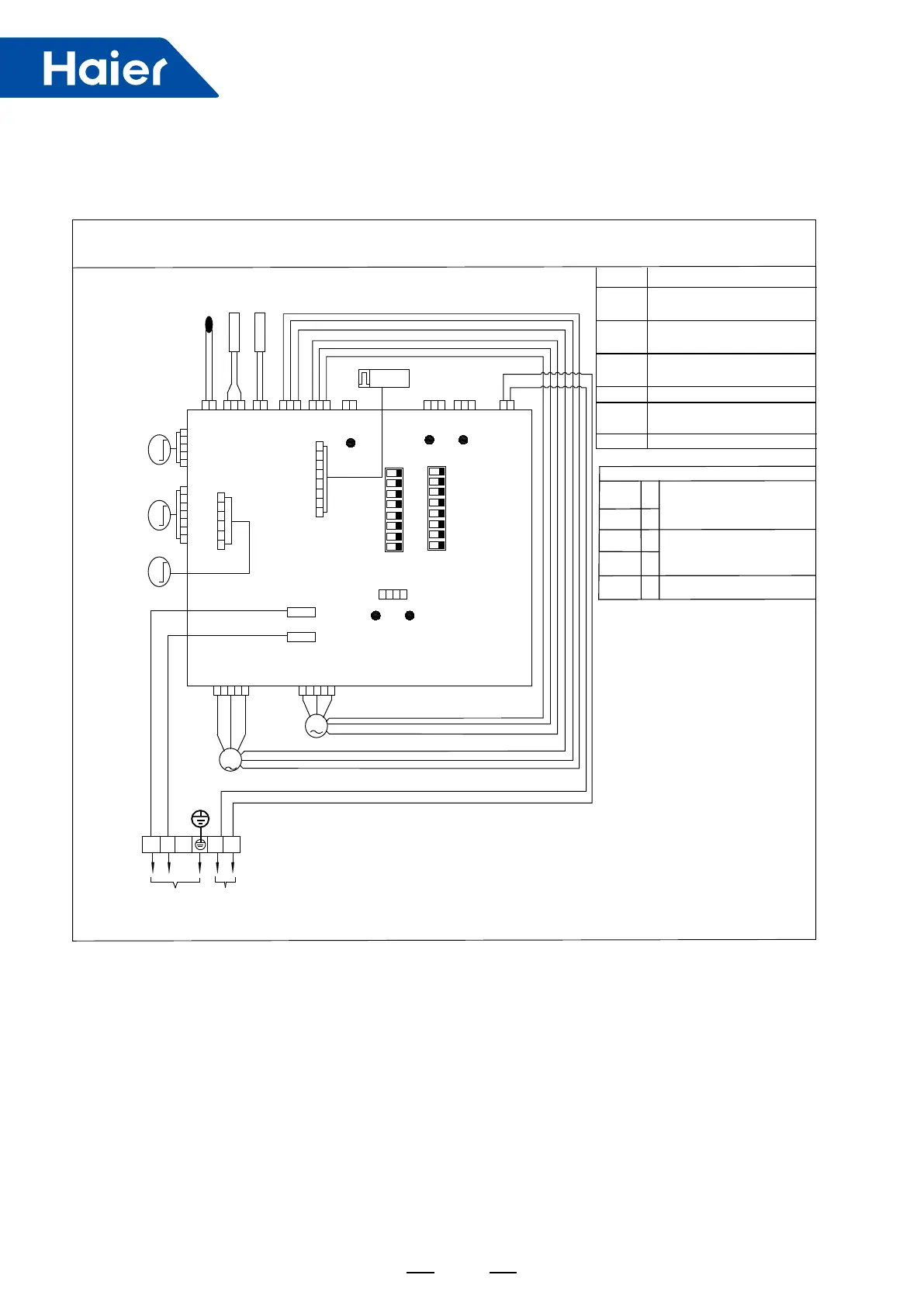
8765432
1
ON
SW1
M
SWING
MOTOR
M
SWING
MOTOR
TC1
TC2
TA
CN18
CN17
CN3 CN2
CN10
CN9
CN8
CN7
CN5
CN4
CN6
LED4
LED1
LED3
LED2
M
P/G
MOTOR
M
Q
P
L N
B
W
BR
CN16
LED
P/G
MOTOR
M
EEV
CN12
TO POWER SUPPLY
(To O.D unit)
Transmission
Wiring
1PH,220-230V ,50Hz
RC
TW
G
G
B
R
AF*MAERA
PCB code: 0151800086A
Y/G
R
C0N2
C0N1
TC2
TC1
EEV
TA
Symbol
Electronic Expansion
Liquid Pipe Temperature
Gas Pipe Temperature
Ambient Temperature
Description
TW
Terminal Block
RC
Room Card
sensor
sensor
sensor
Valve
LED4
LED3
G
R
R
G
LED1
LED2
Transmission lamp
between I.D and
LED
O.D unit
R:RED BR:BROWN OR:ORANGE
BL:BLUE G:GREEN GR:GRAY
Y:YELLOW W:WHITE B:BLACK
Y/G:YELLOW/GREEN
8765432
1
ON
SW3
CN22
CN22-1
CN14
Transmission lamp
between I.D and
wired Controller
LED5
LED5
R
Malfunction indicator lamp

Table of Contents

Related product manuals