EasyManua.ls Logo

HBS IT 1002 - External Welding Start

HBS IT 1002
94 pages
Print Icon
To Next Page IconTo Next Page
To Next Page IconTo Next Page
To Previous Page IconTo Previous Page
To Previous Page IconTo Previous Page
Loading...
IT 1002 Order No BA 93-66-1206 Issue 03.11.08 45
Connect the compressed air supply to the compressed air inlet of the power unit
(6 bar/800 l/min).
Connect the control socket of the feeding unit (front side) to the control socket of
the power unit (rear side).
Feeding unit External control
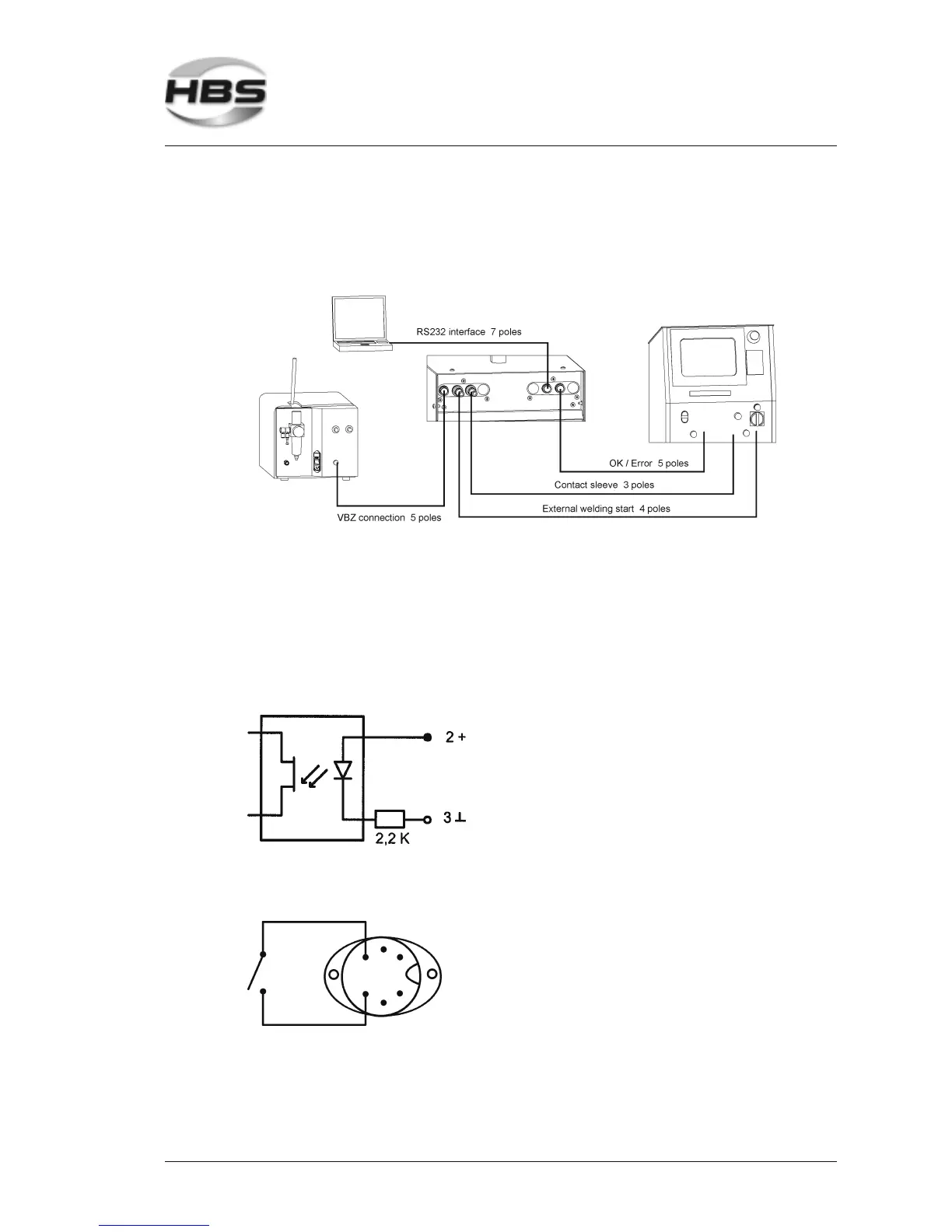
5.7.2 External Welding Start
To integrate the power unit in CNC stud welding systems, an additional external welding
start is provided at the rear side of the power unit (control socket 4, pin 2; 3). The inlet
is designed for 24 V DC control units (signal time min. 200 ms).
External welding start:
Min. switch current
I
min
= 10 mA ( min. 22 V)
I
max
= 20 mA
A welding start can also be provided with the welding gun control plug at the front side
of the power unit (pin 3; 4).
To start welding, you must short-
circuiting pin 3 and 4 for at least
100 ms.
Power unit
5 Stud Welding Procedure
5.7 Welding Procedure

Table of Contents

Related product manuals