EasyManua.ls Logo

Hydrafeed MSV 65 - Page 198

Default Icon
214 pages
Print Icon
To Next Page IconTo Next Page
To Next Page IconTo Next Page
To Previous Page IconTo Previous Page
To Previous Page IconTo Previous Page
Loading...
195
1
324
5
678
A
B
C
D
E
F
G
H
Model
Weight
Quantity
Unit:mm
Name
Date
Revision
Part No.
Draw
Material
Scale
Page
1
1 / 1
>400....±0.8
120-400....±0.5
30-120....±0.3
6-30....±0.2
3
-
6
.
.
.
.
±
0
.
1
<
3
.
.
.
.
±
0
.
1
G
e
n
e
r
a
l
T
o
l
e
r
a
n
c
e
A4
Rolly
S04403-000X
S65
1 :2
2015/5/28
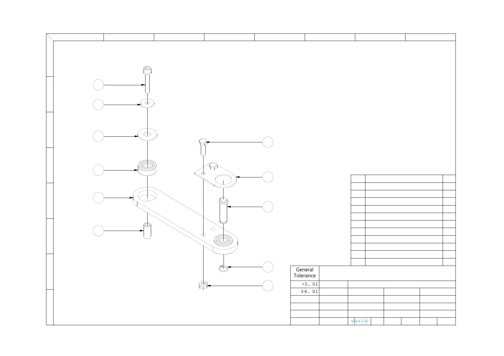
A
Q'ty
Part Number
Item
1
S14432-000X
1
2
S14443-000X
2
1
S14444-000X
3
1
T14436-000X
4
1Hex socket cap screws-S Set[M6x1.0x35L]
5
2
Nut-S Set[M6x1.0]
6
2
Hex head cap screws[M6x1.0x20L]
7
1
Washer[10.5x27x2.0]
8
1
Washer[6x19x1.5]
9
2
Radial Bearing[6000ZZ]
10
2
DIN471 Retaining Ring [10]
11
5
9
8
10
1
4
7
2
3
11
6

Table of Contents

Related product manuals