EasyManua.ls Logo

Hydrafeed MSV 65 - 1 St Feed Error Correction

Default Icon
214 pages
Print Icon
To Next Page IconTo Next Page
To Next Page IconTo Next Page
To Previous Page IconTo Previous Page
To Previous Page IconTo Previous Page
Loading...
76
3. User Setup
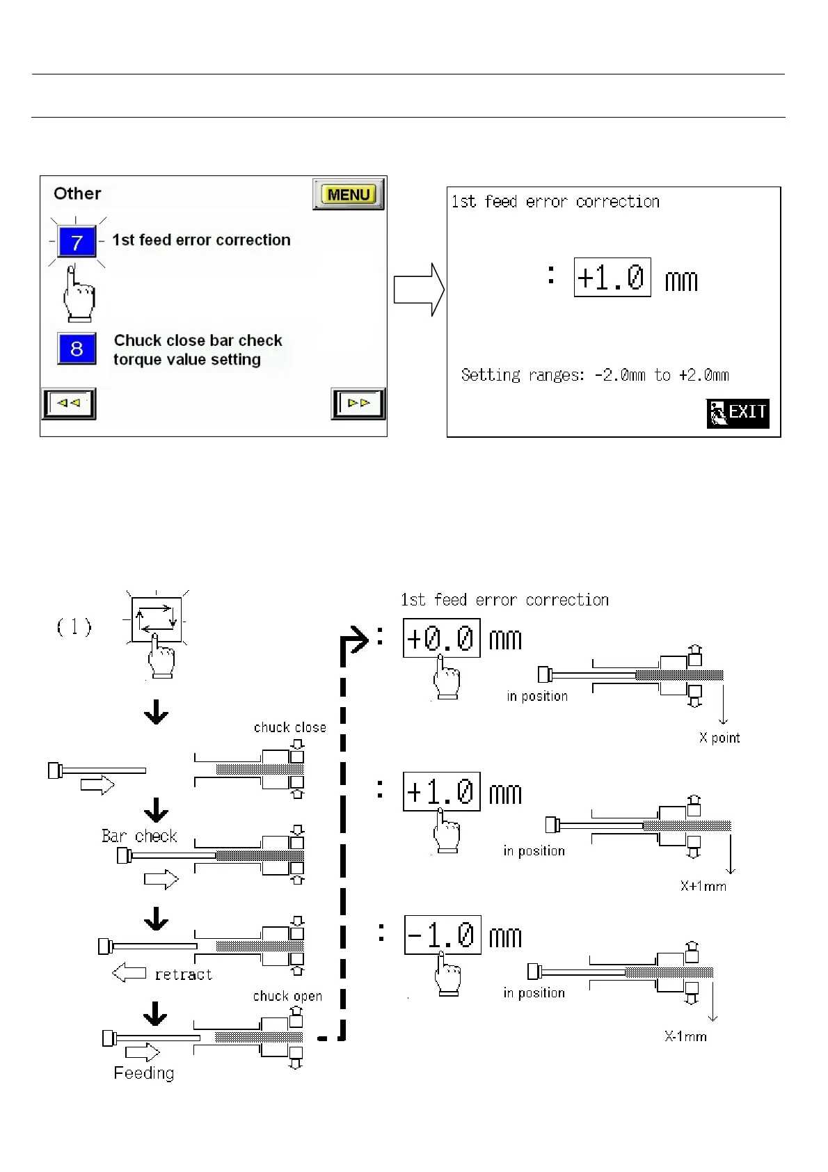
3.11.7 1st feed error correction
Select 7.< 1st feed error correction >
When you select: (1) chuck close bar
check ; (2) Feed to position, you may use
the 1
st
feed error correction to compensate
the error happen on the 1
st
feed after
chuck close bar check.

Table of Contents

Related product manuals