EasyManua.ls Logo

IBM System/36 - AC Point-To-Point

IBM System/36
178 pages
Print Icon
To Next Page IconTo Next Page
To Next Page IconTo Next Page
To Previous Page IconTo Previous Page
To Previous Page IconTo Previous Page
Loading...
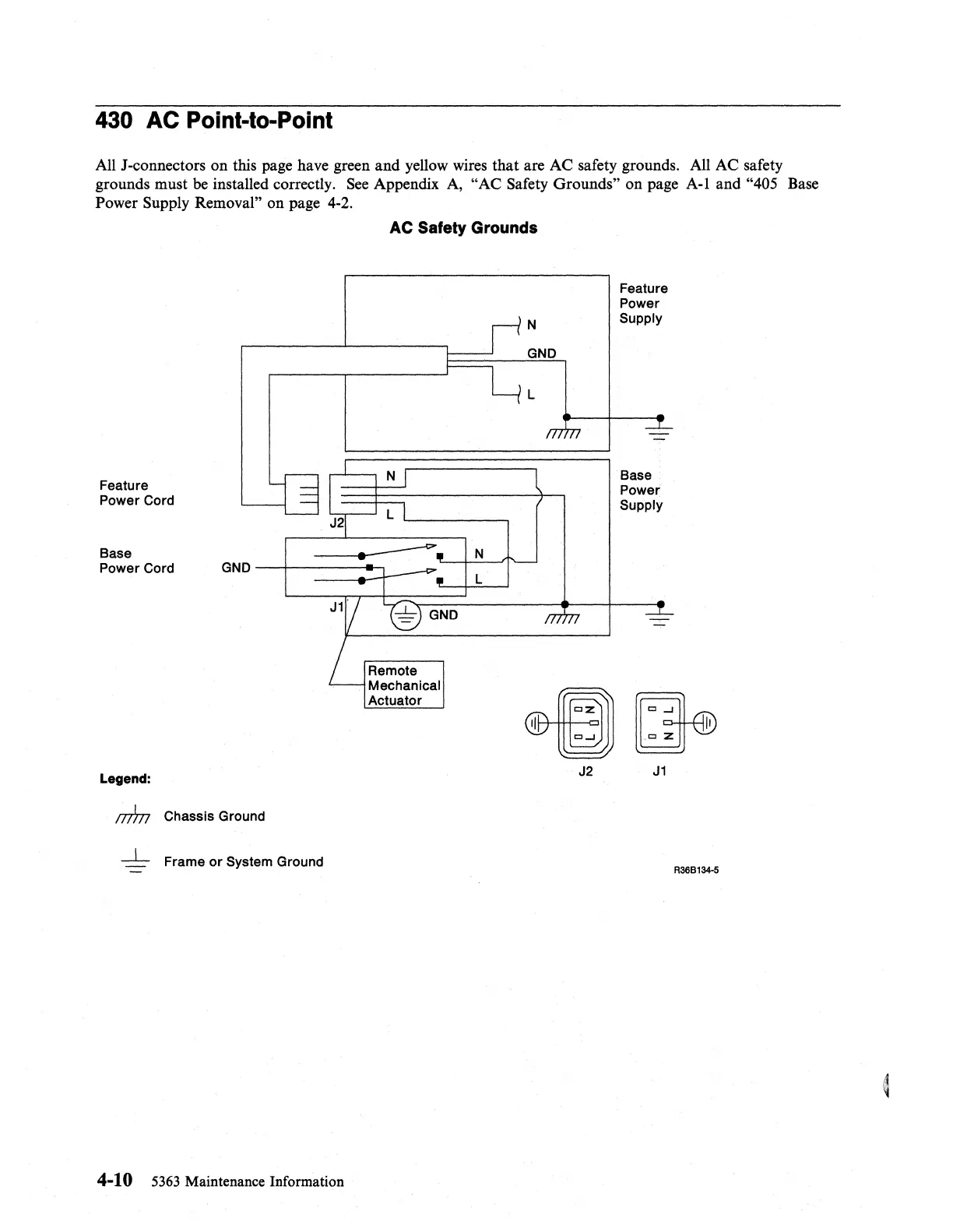
430 AC Point-to-Point
All J-connectors on this page have green and yellow wires that are AC safety grounds. All AC safety
grounds must
be
installed correctly.
See
Appendix
A,
HAC
Safety Grounds" on page A-I and "405 Base
Power
Supply Removal" on page 4-2.
AC Safety Grounds
Feature
Power
Cord
L:U~2
I N I
I L I
Base
~.
0
..I-
III
-
I
Power
Cord
GN
J1
II
"W
GND
L Remote
Mechanical
Actuator
Legend:
I7"77n
Chassis Ground
Frame
or
System Ground
4-10
5363
Maintenance Information
N
GND
L
m"Tl
l
N
L
m/Tl
az
J2
Feature
Power
Supply
-L
-
Base
Power
Supply
-L
-
a....J
J1
R36Bl34·5

Table of Contents

Other manuals for IBM System/36

Related product manuals