EasyManua.ls Logo

IHI 17VX3 - Spanner Cylinder Assembly

IHI 17VX3
130 pages
Print Icon
To Next Page IconTo Next Page
To Next Page IconTo Next Page
To Previous Page IconTo Previous Page
To Previous Page IconTo Previous Page
Loading...
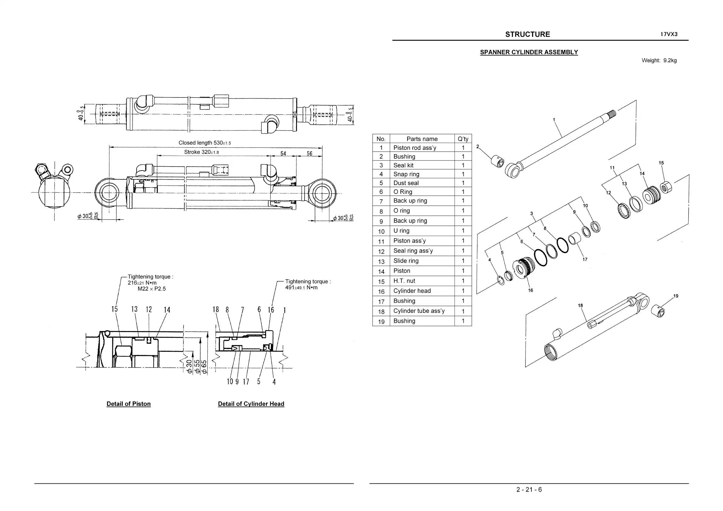
STRUCTURE
SPANNER CYLINDER ASS
EMBLY
Weight: 9.2kg
18
16
{
Tighten.
491
+
Ing
torque:
_49.1 N-m
16
1
5 4
Closed length
530±1
5
Stroke
320±1.8
.
(
Tighten.
216
Ing
torque:
±21
N-m
M22 x P2.5
15
13
12
14

Table of Contents

Related product manuals