EasyManua.ls Logo

Intermec EasyCoder 501 - Page 164

Intermec EasyCoder 501
227 pages
Print Icon
To Next Page IconTo Next Page
To Next Page IconTo Next Page
To Previous Page IconTo Previous Page
To Previous Page IconTo Previous Page
Loading...
163Intermec EasyCoder 501 Service Manual Ed. 7
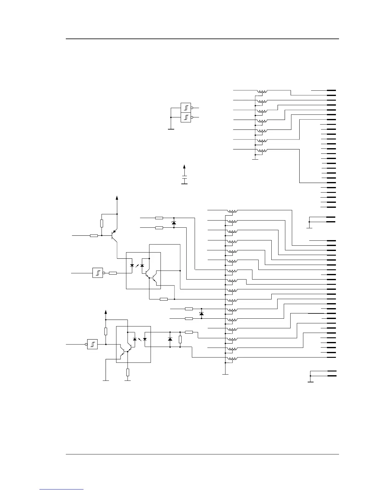
Chapter 20 Serial Interface Board
+5V
P5
GNDC
74AC14
2 1
IC3A
P2
1
2
3
4
5
6
7
8
9
10
11
12
13
14
15
16
17
18
19
20
21
22
23
24
25
GNDC
TXDA
RXDA
RTSA
CTSA
DSRA
GNDI
DTRA
TXDA
RXDA
RTSA
CTSA
DSRA
GNDI
DTRA
F1
F2
F3
F4
F5
F6
F7
GNDC
P2
26
27
GNDC
P5
26
27
1
2
3
4
5
6
7
8
9
10
11
12
13
14
15
16
17
18
19
20
21
22
23
24
25
GNDC
TXDB
RXDB
RTSB
CTSB
DSRB
GNDI
+20M1
20M1
+TXD
TXD
+20M2
20M2
+5VEXT
+RXD
DTRB
RXD
TXDB
RXDB
RTSB
CTSB
DSRB
GND
+20M1
20M1
+TXD
TXD
+20M2
20M2
+5VEXT
+RXD
DTRB
RXD
*
F12
F13
F14
F15
F16
F17
F19
F20
F21
F22
F23
F24
F29
F25
F26
F28
GNDC
1
2
Z2
R3
+12VA
12VA
1
2
Z1
R1
+12VB
12VB
R2
R4
5
6N139
2
IC6
6
8
3
7
R13
GNDGND
/RXDCL
R11
R10
D2
R12
+RXD
RXD
5 TXD
6N139
2
IC5
6 +TXD
8
3
7
R9
R5
74AC14
3 4
IC3B
/TXDB
+5V
R17
R16
Q2
/RTSB
74AC14
11 10
IC3E & F
13 12
GND
+5V
C1 4
GND
UNUSED CIRCUITS
20.5 Circuit Diagram B
Serial Interface Board 1-971703-40

Table of Contents

Related product manuals