EasyManua.ls Logo

Interroll DL Series - DL 0113 Asynchronous 1-Phase; Connection Diagrams of DL Series Asynchronous 1-Phase; Cable Connections

Default Icon
64 pages
Print Icon
To Next Page IconTo Next Page
To Next Page IconTo Next Page
To Previous Page IconTo Previous Page
To Previous Page IconTo Previous Page
Loading...
Version 1.2 (08/2022) en
Translation of original operating instructions 17 of 64
Product information of DL series asynchronous 1-phase
4.2.2 DL 0113 asynchronous 1-phase
P
N
n
P
n
N
f
N
U
N
I
N
cos
φ
η
J
R
I
S
/I
N
M
S
/
M
N
M
B
/
M
N
M
P
/
M
N
M
N
R
M
U
SH ~
C
R
W min
-1
Hz V A kgcm
2
Nm VDC µF
60 4 1300 50 230 0,75 0,98 0,35 2,3 2,58 1,29 2,6 1,29 0,44 63,5 35 4
60 4 1560 60 230 0,86 0,98 0,31 2,3 2,58 1,29 2,6 1,29 0,37 63,5 40 4
90 4 1300 50 230 0,99 0,91 0,43 2,3 2,42 1,24 2,42 1,24 0,66 42,5 29 6
90 4 1560 60 230 1,1 0,91 0,39 2,3 2,42 1,24 2,42 1,24 0,55 42,5 34 6
110 4 1300 50 230 1,04 0,88 0,52 3,3 2,93 1,06 2,31 1,06 0,81 32,5 22 6
110 4 1560 60 115 2,15 0,94 0,47 3,3 3,24 1,08 2,8 1,08 0,67 6,3 10 20
110 4 1560 60 115 2,2 0,88 0,49 3,3 3,24 1,08 2,8 1,08 0,67 6,3 9 16
110 4 1560 60 230 1,18 0,88 0,46 3,3 2,93 1,06 2,31 1,06 0,67 32,5 25 6
150 4 1600 60 115 2,8 0,89 0,52 4 2,57 1,04 2,99 1,04 0,90 4 7 25
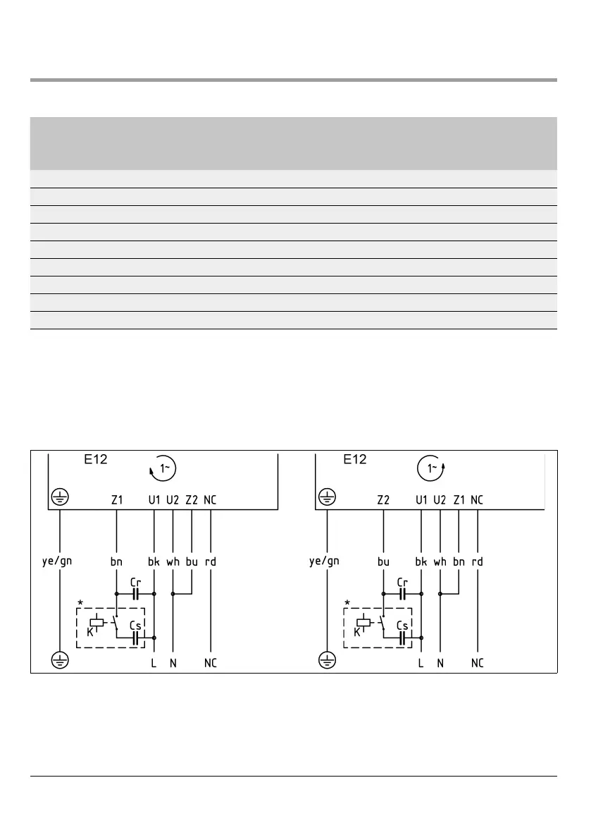
4.3 Connection diagrams of DL series asynchronous 1-phase
This instruction manual lists only standard connection diagrams. For other connection types, the connection diagram is
supplied separately with the drum motor.
Abbreviations see page 56.
4.3.1 Cable connections
1-phase, 6-core cable
* A starting capacitor and a matching switching relay can be connected as an option to improve the starting torque
of the single-phase motor.

Table of Contents