EasyManua.ls Logo

Interroll DL Series - Connections in the Terminal Box

Default Icon
64 pages
Print Icon
To Next Page IconTo Next Page
To Next Page IconTo Next Page
To Previous Page IconTo Previous Page
To Previous Page IconTo Previous Page
Loading...
18 of 64
Version 1.2 (08/2022) en
Translation of original operating instructions
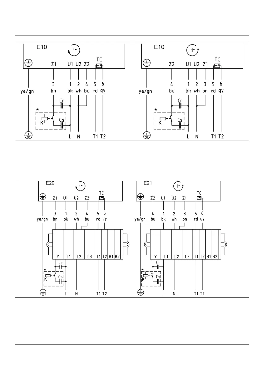
Product information of DL series asynchronous 1-phase
1-phase, 7-core cable
* A starting capacitor and a matching switching relay can be connected as an option to improve the starting torque
of the single-phase motor.
4.3.2 Connections in the terminal box
1-phase, 7-core cable
* A starting capacitor and a matching switching relay can be connected as an option to improve the starting torque
of the single-phase motor.
Maximum torque for terminal box cover screws: 1.5 Nm

Table of Contents