EasyManua.ls Logo

JAKA Zu 3 - Robot Workspace

Default Icon
73 pages
Print Icon
To Next Page IconTo Next Page
To Next Page IconTo Next Page
To Previous Page IconTo Previous Page
To Previous Page IconTo Previous Page
Loading...
File Version: 3.4  /  JAKA Zu Series Hardware User Manual


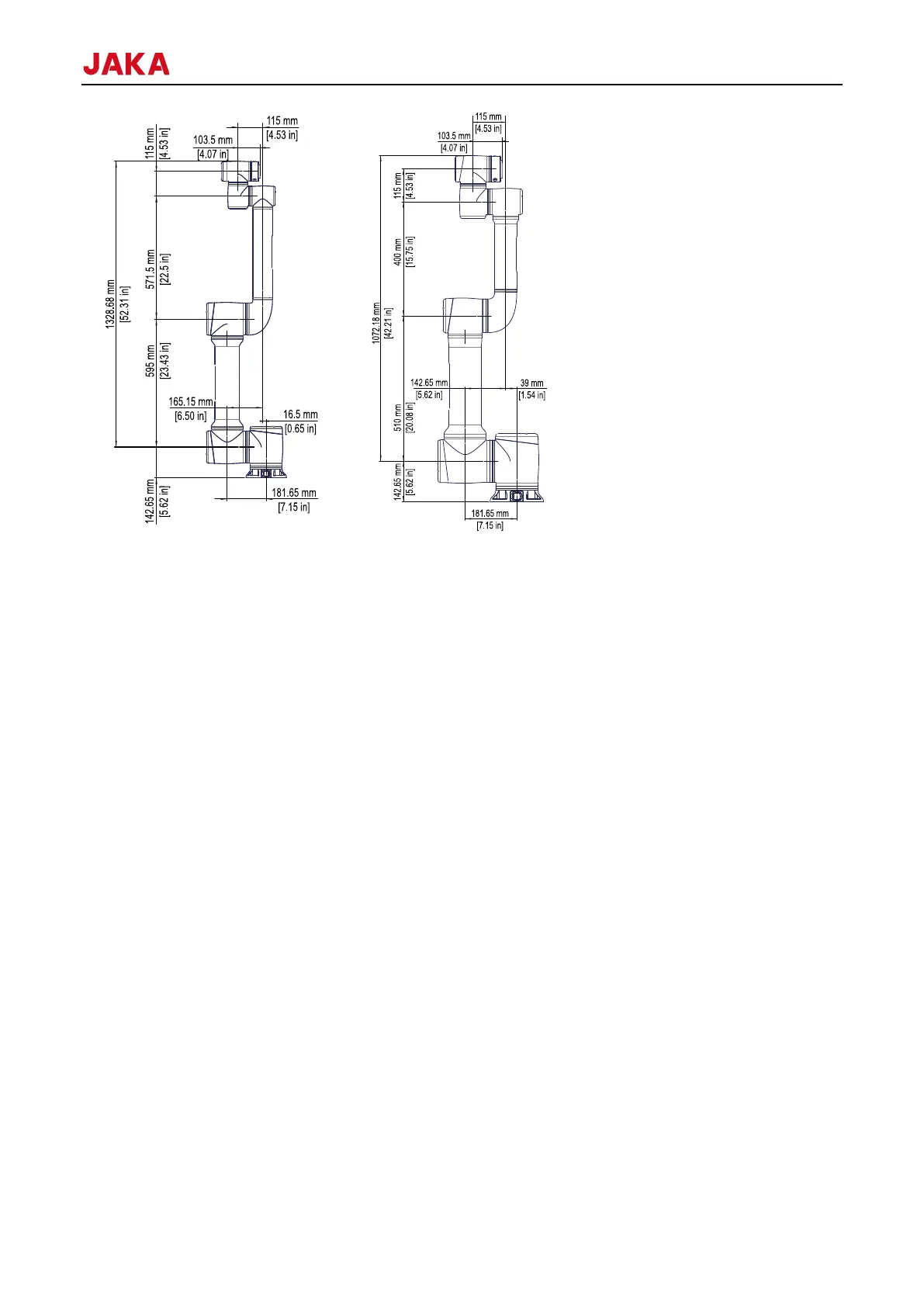
8.3 
The workspaces of the JAKA Zu series robots are shown below. When you choose a robot mounting location,
the cylindrical space right above and below the robot must be considered to try to avoid moving the tool to the
cylindrical space. Because this will cause the tool to move slowly while the joints rotate too fast, which will lead
to the low efficiency of the robot and the difficulty in risk assessment.

Table of Contents

Related product manuals