EasyManua.ls Logo

joule Modul-AIR All-E - Additional Mechanical Schematic

joule Modul-AIR All-E
116 pages
Print Icon
To Next Page IconTo Next Page
To Next Page IconTo Next Page
To Previous Page IconTo Previous Page
To Previous Page IconTo Previous Page
Loading...
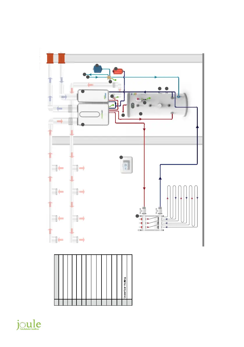
111Modul-AIR Exhaust Air Heat Pump Installation Guide
Additional Mechanical Schematic
Modul-AIR All-E & Green Comfort - 1 DHW & 1 Underfloor Zone
KitchenBathroomEnsuite Utility
G
H
B
C
J
L
K
A
E2
I
D
E1
F
Duct entry / exit grilles should
be separated by a minimum
distance of 3 meters
M
N
Descriptio
n
A Modul-AIR Hot Water Tank
B Modul-AIR Heat Pump
C
TundishD
Green Comfort Module
E1
P
otable Expansion Vessel
E2 Heating Expansion Vessel
F
Opentherm thermostat
G Fill & Flush Valve
H
I
Filterball
J
Hot Outlet
K Balanced Cold Outlet
L
M
N
Mains/Boosted Cold Inlet
Pressure Relief Valve
D
Inlet Control Group
MVHR Ventilation

Related product manuals