EasyManua.ls Logo

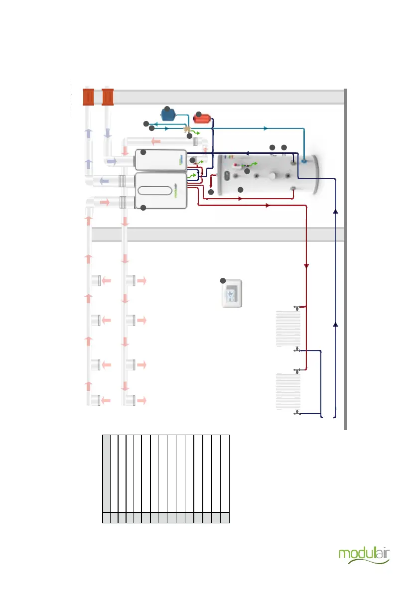
joule Modul-AIR All-E - Green Comfort Mechanical Schematic; Modul-AIR All-E & Green Comfort - 1 DHW & 1 Radiator Zone

joule Modul-AIR All-E
116 pages
Print Icon
To Next Page IconTo Next Page
To Next Page IconTo Next Page
To Previous Page IconTo Previous Page
To Previous Page IconTo Previous Page
Loading...
48 www.jouleuk.co.uk | www.joule.ie
Modul-AIR All-E & Green Comfort - 1 DHW & 1 Radiator Zone
Green Comfort Mechanical Schematic
KitchenBathroomEnsuite Utility
G
H
B
C
J
L
K
A
E2
I
D
E1
F
Duct entry / exit grilles should
be separated by a minimum
distance of 3 meters
M
Modul-AIR ALL-E
& Green Comfort Module
MVHR Ventilation
Descriptio
n
A Modul-AIR Hot Water Tank
B Modul-AIR Heat Pump
C
TundishD
Green Comfort Module
E1
P
otable Expansion Vessel
E2 Heating Expansion Vessel
F
Opentherm thermostat
G Fill & Flush Valve
H
I
Filterball
J
Hot Outlet
K Balanced Cold Outlet
L
M
Mains/Boosted Cold Inlet
Pressure Relief Valve
D
Inlet Control Group

Related product manuals