EasyManua.ls Logo

KLS Martin marLED E9 - Handle with surgiCam digital Circuit Diagram

KLS Martin marLED E9
108 pages
Print Icon
To Next Page IconTo Next Page
To Next Page IconTo Next Page
To Previous Page IconTo Previous Page
To Previous Page IconTo Previous Page
Loading...
Service ManualService Manual
Operating Lights marLEDOperating Lights marLED
®®
E9 / E9i / E9 / E9i / E15E15
14 14 V V 1.01.0
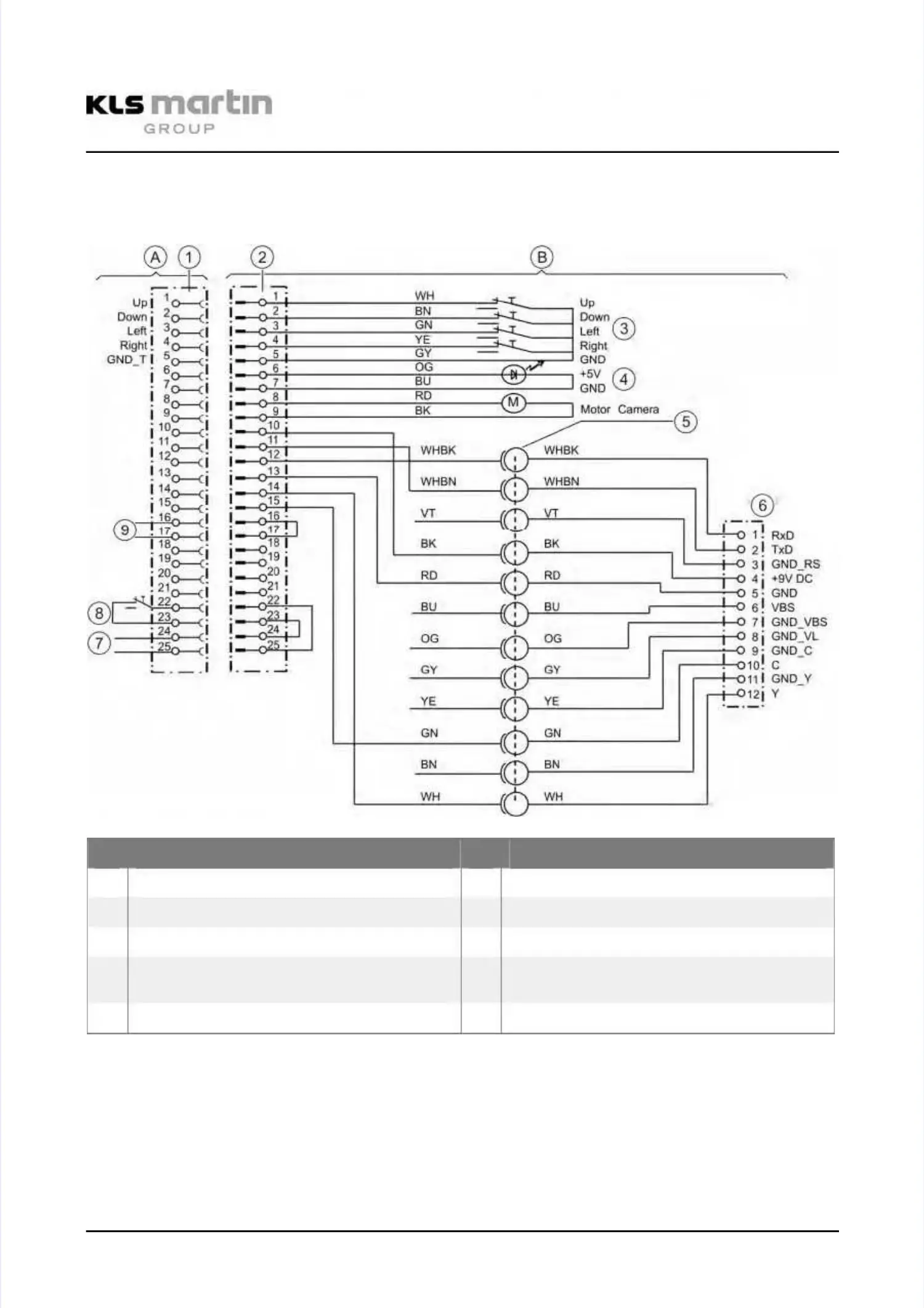
4.24.2 Circuit Diagram for Handle with surgiCamCircuit Diagram for Handle with surgiCam
®®
digitaldigital
Connection in sensoGrip to control electronics:Connection in sensoGrip to control electronics:
A
A Control Control electronics electronics B B SensoGrip SensoGrip (handle (handle assembly)assembly)
1 1 D-Sub D-Sub socket, socket, 25-pole 25-pole 2 2 D-Sub D-Sub plug, plug, 25-pole25-pole
7 7 Control Control electronics electronics 3 3 Buttons Buttons (break (break contacts)contacts)
8 centriXbeam8 centriXbeam
®®
deep-cavity deep-cavity light light 4 4 Laser Laser (option (option only only available available without without camera)camera)
99
Disconnection of the supply voltage forDisconnection of the supply voltage for
Schiederwerk electronic ballastSchiederwerk electronic ballast
5 Slip-ring5 Slip-ring
6 6 Camera Camera handlehandle

Table of Contents

Related product manuals