EasyManua.ls Logo

Kollmorgen SERVOSTAR 614

Kollmorgen SERVOSTAR 614
122 pages
To Next Page IconTo Next Page
To Next Page IconTo Next Page
To Previous Page IconTo Previous Page
To Previous Page IconTo Previous Page
Loading...
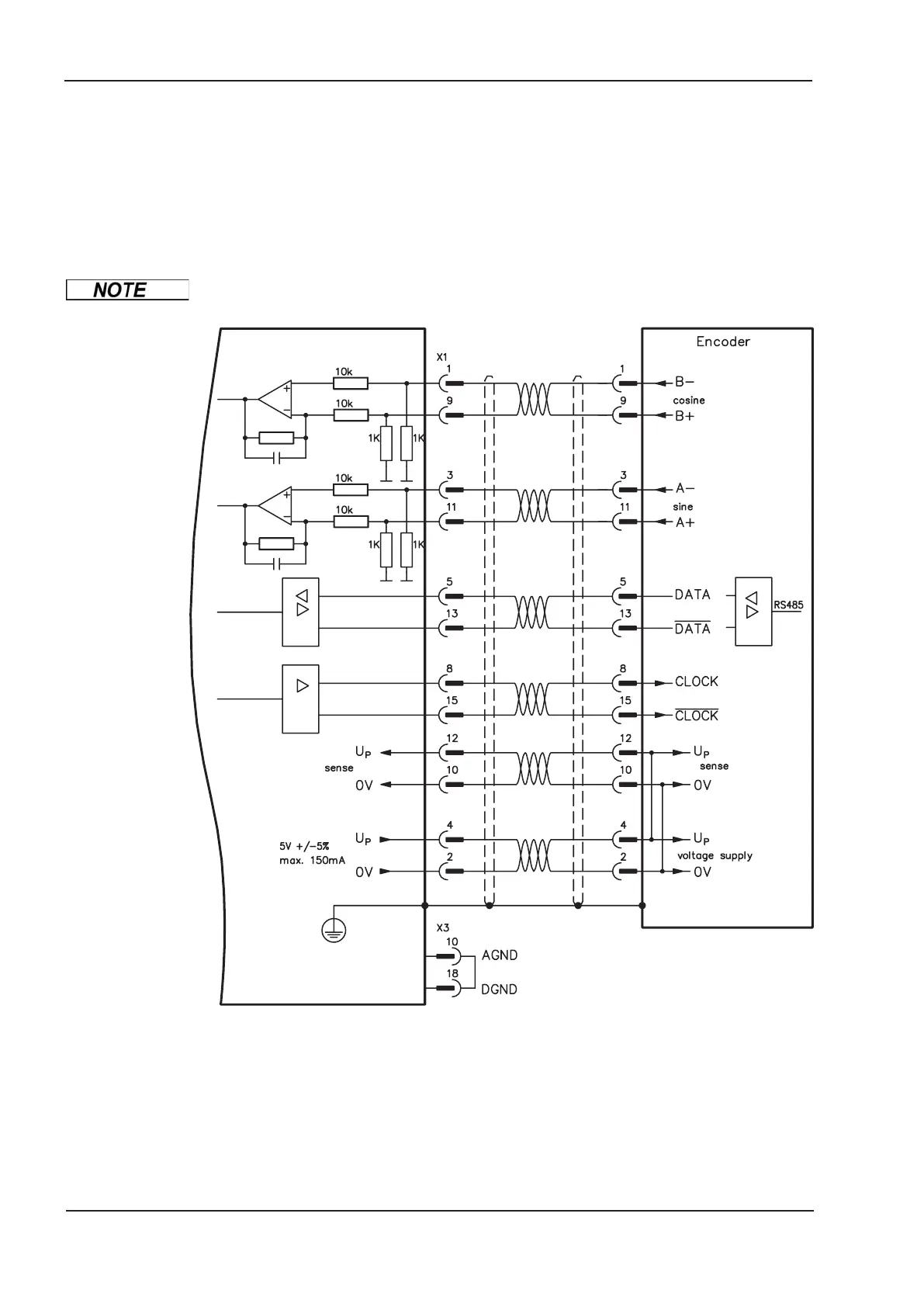
8.12.3 Connection to a sine-cosine encoder (X1)
You can operate the SERVOSTAR as a slave, mastered by a sine-cosine encoder (master-slave
operation). The connector X1 must be used.
Encoder types with a power consumption of more than 150 mA can also be connected using our
external power supply (ð p.113). For encoders that do not have integrated terminating resistors, we
offer an optional terminating adapter (ð p. 113).
Frequency limit: 250 kHz
AGND and DGND (connector X3) must be joined together !
60 SERVOSTAR
®
601...620 Instructions Manual
Electrical Installation
07/2010 Kollmorgen
SERVOSTAR 600

Table of Contents

Related product manuals