EasyManua.ls Logo

Kollmorgen SERVOSTAR 620

Default Icon
98 pages
To Next Page IconTo Next Page
To Next Page IconTo Next Page
To Previous Page IconTo Previous Page
To Previous Page IconTo Previous Page
Loading...
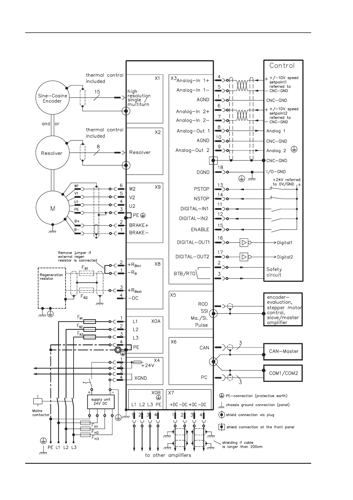
2.3.1 Connection diagram
30 SERVOSTAR
®
601...620 Installation Manual
Installation 03/04 Kollmorgen
ð p.52
ð p.53
ð p.38
ð p.38
ð p.39
ð p.38
ð p.39
ð p.41
ð p.40
ð p.42
ð p.43
ð p.44
ð p.45
ð p.46
ð p.47
ð p.48
ð p.50
SERVOSTAR 600
Reference Safety Instructions (ð p.6) and
Use As Directed (ð p.12) !

Table of Contents

Other manuals for Kollmorgen SERVOSTAR 620

Related product manuals