EasyManua.ls Logo

Kollmorgen SERVOSTAR 620

Default Icon
98 pages
To Next Page IconTo Next Page
To Next Page IconTo Next Page
To Previous Page IconTo Previous Page
To Previous Page IconTo Previous Page
Loading...
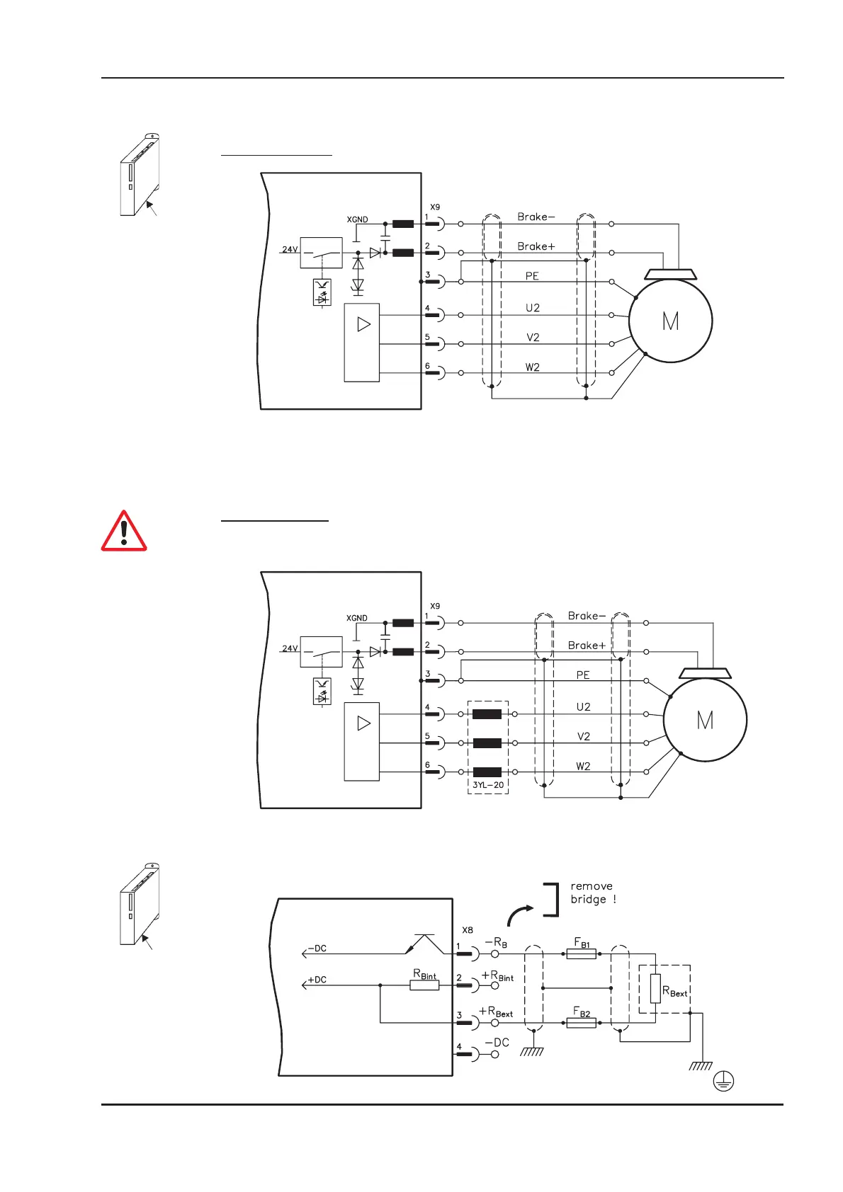
3.2 Motor connection with brake (X9)
Lead length £ 25m
Lead length >25m
For lead lengths above 25m the choke box 3YL-20 must be wired into the motor lead,
close to the amplifier.
3.3 External regen resistor (X8)
Remove the plug-in link between the terminals X8/1 (-R
B
) and X8/2 (+R
bint
).
SERVOSTAR
®
601...620 Installation Manual 39
Kollmorgen 03/04 Interfaces
SERVOSTAR 600
SERVOSTAR 600
SERVOSTAR 600

Table of Contents

Other manuals for Kollmorgen SERVOSTAR 620

Related product manuals