EasyManua.ls Logo

Kollmorgen SERVOSTAR 620

Default Icon
98 pages
To Next Page IconTo Next Page
To Next Page IconTo Next Page
To Previous Page IconTo Previous Page
To Previous Page IconTo Previous Page
Loading...
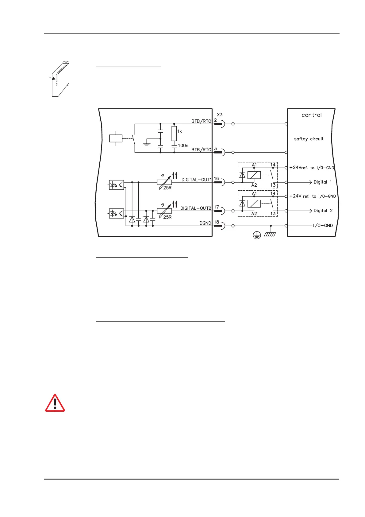
3.5.4 Digital control outputs (X3)
Technical characteristics
Reference ground is digital-GND (DGND, terminal X3/18)
All digital outputs are floating
DIGITAL-OUT1 and 2 : PLC compatible according to IEC 1131
BTB/RTO : Relay output, max. 30VDC or 42VAC, 0.5A
Ready-to-operate contact BTB/RTO
Operational readiness (terminals X3/2 and X3/3 ) is signaled by a floating relay contact.
The contact is closed when the servo amplifier is ready for operation, the signal is not influenced
by the enable signal, the I²t- limit, or the regen threshold.
All faults cause the BTB/RTO contact to open and the switch-off of the output stage.
A list of the error messages can be found on page 60.
Programmable digital outputs DIGITAL-OUT1/2:
You can use the digital outputs DIGITAL-OUT1 (terminal X3/16) and DIGITAL-OUT2 (terminal
X3/17) to output messages from pre-programmed functions that are stored in the servo amplifier.
You can find a list of pre-programmed functions on the "digital I/O" screen of our setup software.
If an input is freshly assigned to a pre-programmed function, then the data set must be stored in the
EEPROM of the servo amplifier, and the 24V auxiliary supply of the servo amplifier must be swit
-
ched off and on again (to reset the amplifier software).
Evaluate the outputs via inverting interface relays (see connection diagram), for example
Phönix DEK-REL-24/I/1 (turn-on delay 6 ms, turn-off delay 16ms).
The described logic in the SETUP SOFTWARE manual and the online help refers to
the output of the inverting interface relays. Consider the delay of the applied relay !
SERVOSTAR
®
601...620 Installation Manual 45
Kollmorgen 03/04 Interfaces
SERVOSTAR 600

Table of Contents

Other manuals for Kollmorgen SERVOSTAR 620

Related product manuals