EasyManua.ls Logo

Kollmorgen SERVOSTAR 620

Default Icon
98 pages
To Next Page IconTo Next Page
To Next Page IconTo Next Page
To Previous Page IconTo Previous Page
To Previous Page IconTo Previous Page
Loading...
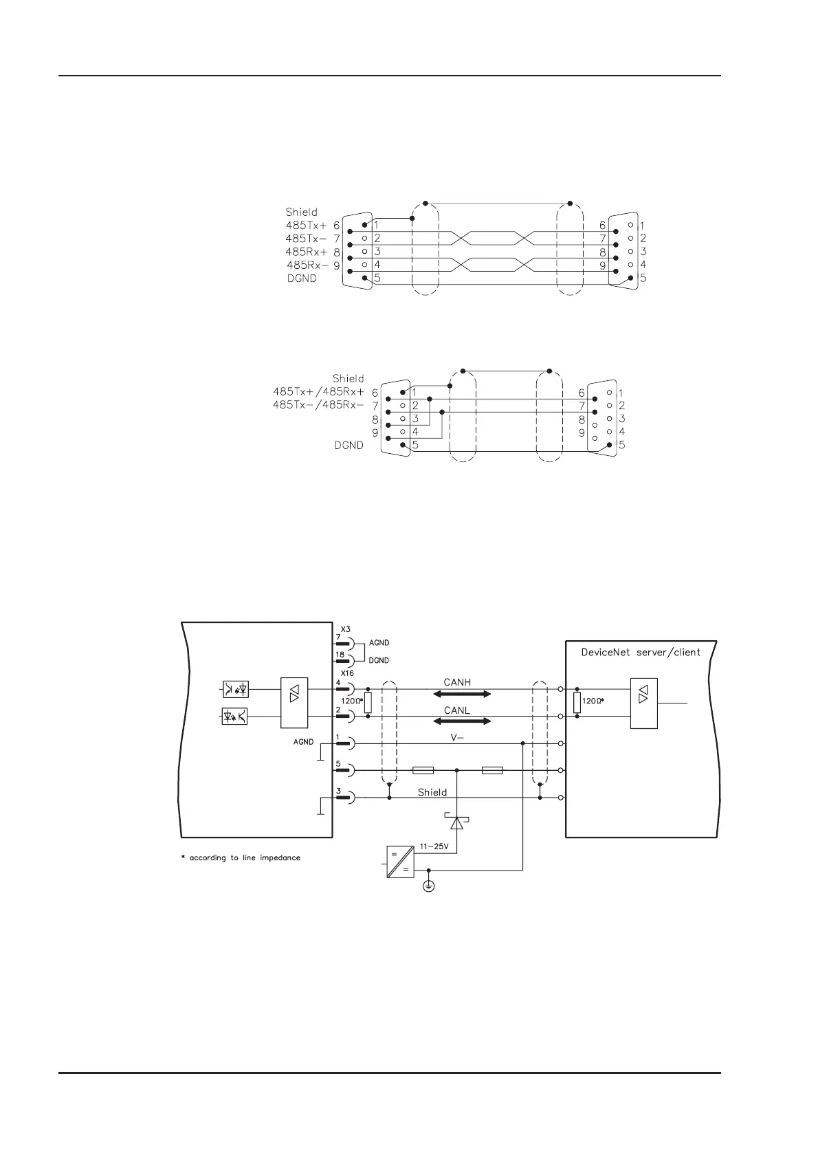
5.7.4.2 RS-485 communication X17 (SubD 9-pin, plug)
State as delivered: RS485 full duplex mode
Connection diagram for full-duplex mode:
RS485 Half Duplex Modus is adjustable throught the setup software DRIVE.EXE
Connection diagram for half-duplex mode
5.7.4.3 DeviceNet communication X16 (Phönix, 5-pin)
Cable selection, cable routing, shielding, bus connector, bus termination and transmission times are
all described in the “DeviceNet Specification, Volume I, II, Edition 2.0”, published by the ODVA.
AGND and DGND (connector X3) must be linked together!
82 SERVOSTAR
®
601...620 Installation Manual
Extensions / Accessories 03/04 Kollmorgen
SERVOSTAR 600, X17
SERVOSTAR 600, X17
SERVOSTAR 600

Table of Contents

Other manuals for Kollmorgen SERVOSTAR 620

Related product manuals