EasyManua.ls Logo

Kollmorgen SERVOSTAR 620

Default Icon
98 pages
To Next Page IconTo Next Page
To Next Page IconTo Next Page
To Previous Page IconTo Previous Page
To Previous Page IconTo Previous Page
Loading...
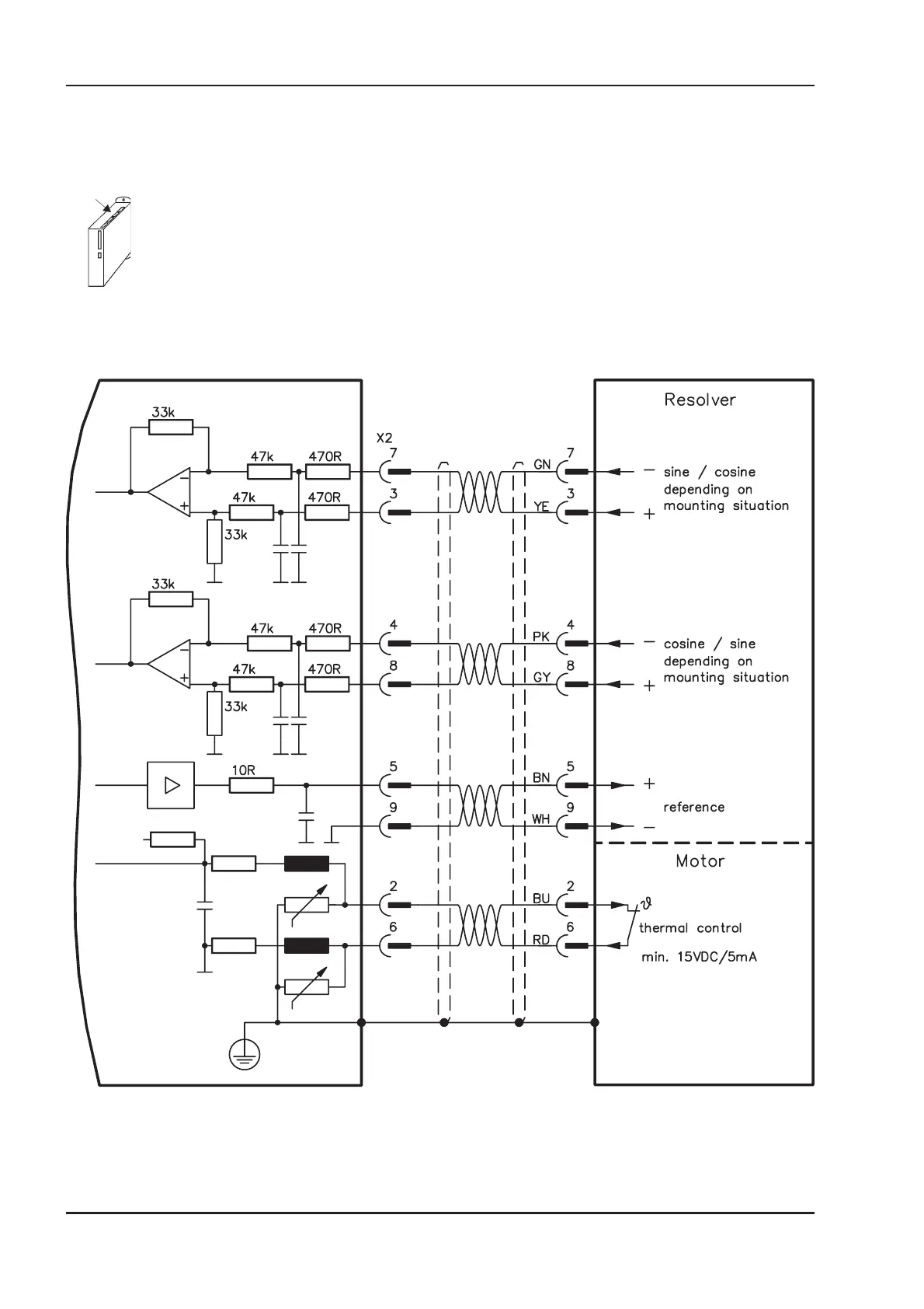
3.4 Feedback
3.4.1 Resolver connection (X2)
Our rotatory servomotors have 2-pole hollow-shaft resolvers built in as a standard. It is possible to
connect 2...36-pole resolvers to the SERVOSTAR 600.
If lead lengths of more than 100m are planned, please contact our customer service.
The thermostat contact in the motor is connected via the resolver cable to the SERVOSTAR 600
and evaluated there.
40 SERVOSTAR
®
601...620 Installation Manual
Interfaces 03/04 Kollmorgen
SERVOSTAR 600
SubD9
12pol.round
colors for European cables only

Table of Contents

Other manuals for Kollmorgen SERVOSTAR 620

Related product manuals