EasyManua.ls Logo

Kollmorgen SERVOSTAR 620

Default Icon
98 pages
To Next Page IconTo Next Page
To Next Page IconTo Next Page
To Previous Page IconTo Previous Page
To Previous Page IconTo Previous Page
Loading...
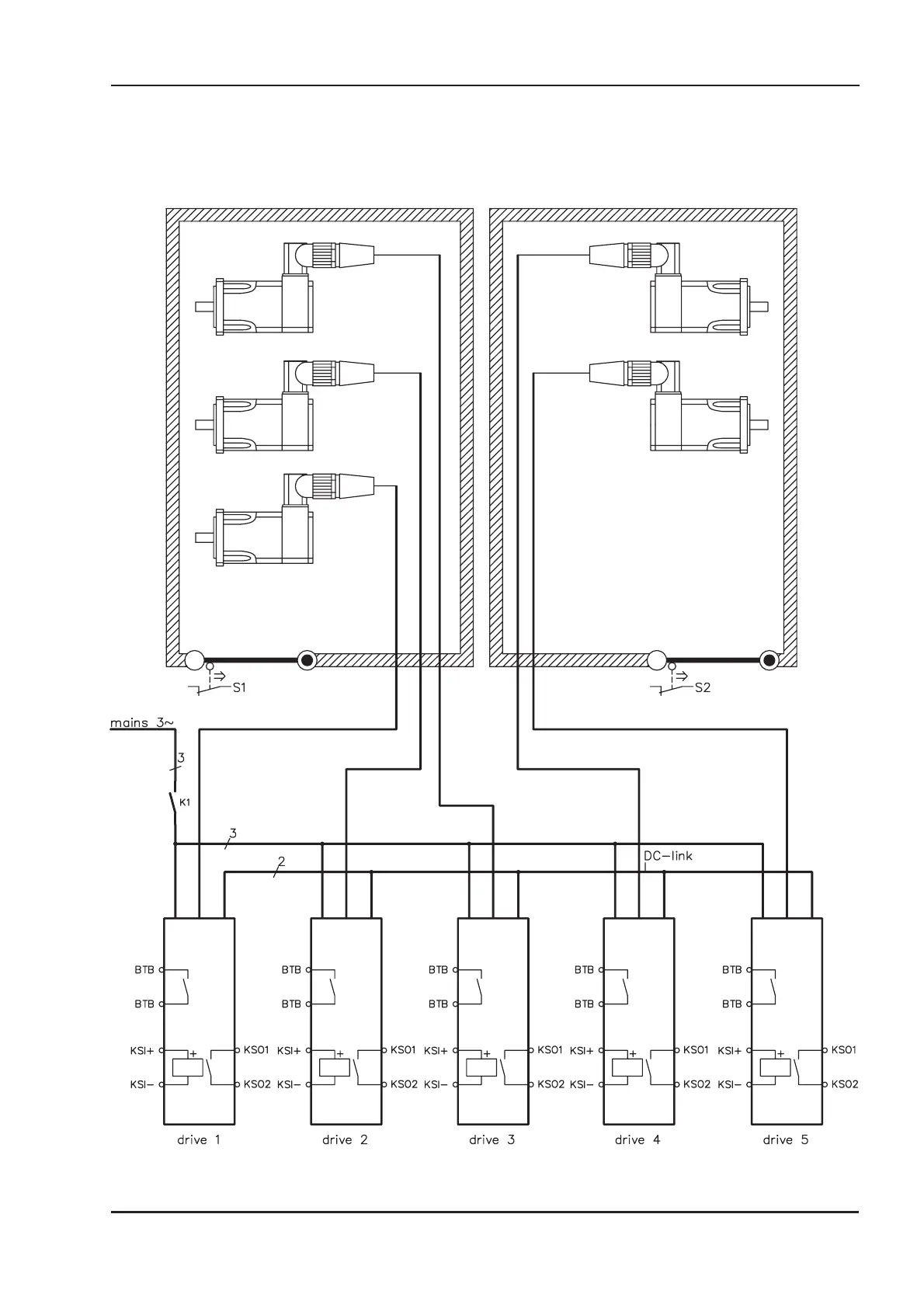
5.1.6.2.2 Mains supply circuit
SERVOSTAR
®
601...620 Installation Manual 67
Kollmorgen 03/04 Extensions / Accessories
SERVOSTAR
SERVOSTAR SERVOSTAR SERVOSTAR SERVOSTAR

Table of Contents

Other manuals for Kollmorgen SERVOSTAR 620

Related product manuals