EasyManua.ls Logo

Kollmorgen SERVOSTAR 620

Default Icon
98 pages
To Next Page IconTo Next Page
To Next Page IconTo Next Page
To Previous Page IconTo Previous Page
To Previous Page IconTo Previous Page
Loading...
3 Interfaces
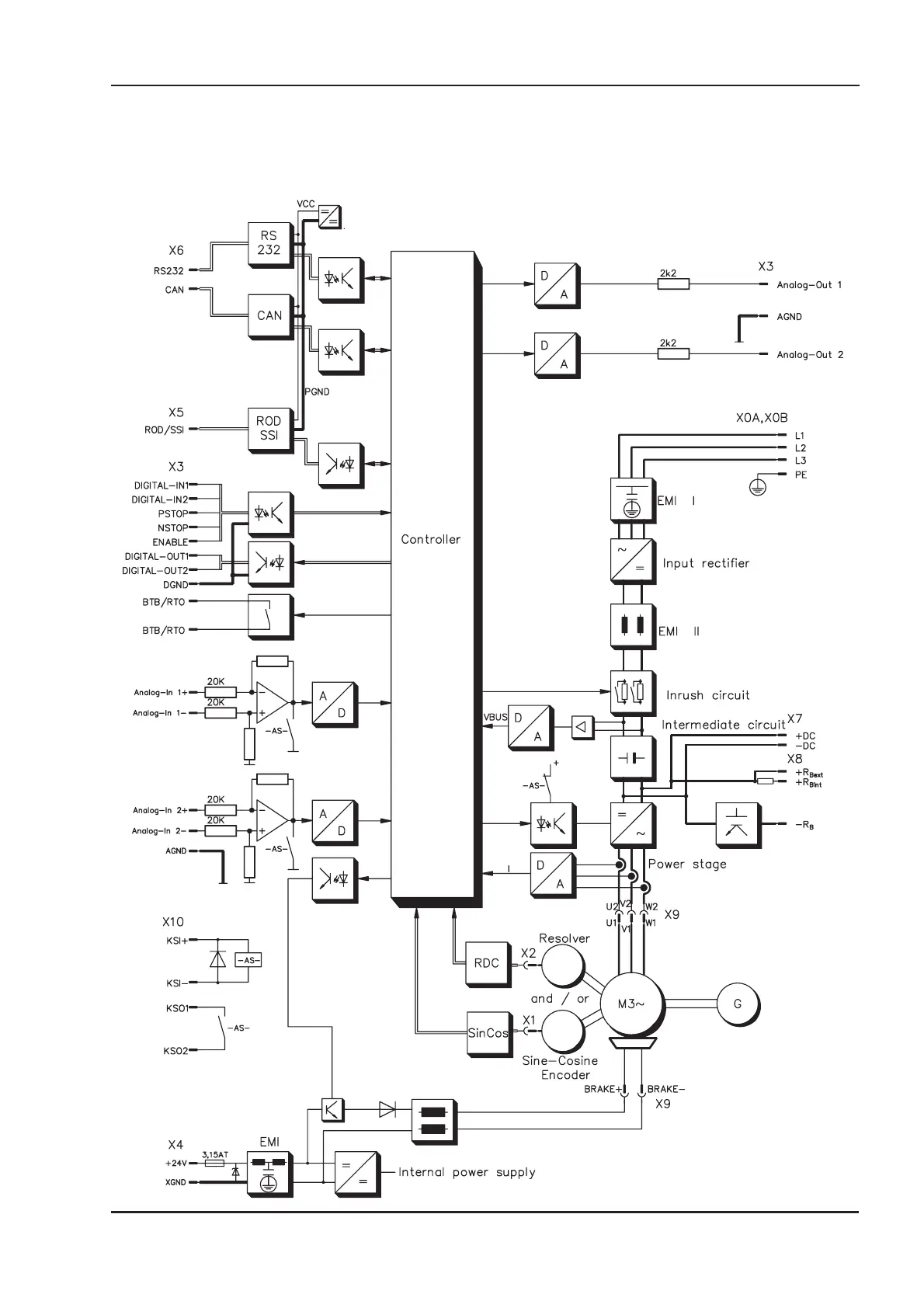
All important interfaces are shown in this Chapter. The precise location of the connectors and
terminals can be seen on page 32. The block diagram below is just an overview.
SERVOSTAR
®
601...620 Installation Manual 37
Kollmorgen 03/04 Interfaces

Table of Contents

Other manuals for Kollmorgen SERVOSTAR 620

Related product manuals