EasyManua.ls Logo

Kontron KTQ45/Flex - Page 81

Kontron KTQ45/Flex
92 pages
Print Icon
To Next Page IconTo Next Page
To Next Page IconTo Next Page
To Previous Page IconTo Previous Page
To Previous Page IconTo Previous Page
Loading...
KTD-00782-H KTQ45 family Page 81 of 92
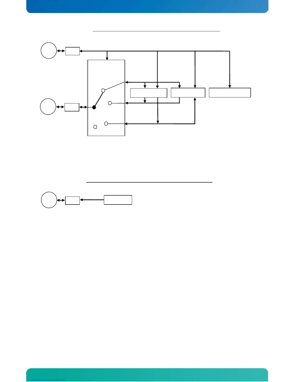
CMOS (most)
BIOS User
Access control
Full
View
Limit
None
Date&Time *
Supervisor PSW
PSW
User
PSW
Super-
visor
Supervisor Password protection (setup Supervisor before User)
PSW
User
User Password protection only (no Supervisor Password used)
CMOS
* = also:
Quick Boot
Quiet Boot
Repost Video on S3 Resume
Active State Power-Management

Table of Contents