EasyManua.ls Logo

Kyocera KM-2550

Kyocera KM-2550
282 pages
To Next Page IconTo Next Page
To Next Page IconTo Next Page
To Previous Page IconTo Previous Page
To Previous Page IconTo Previous Page
Loading...
2FT
2-1-3
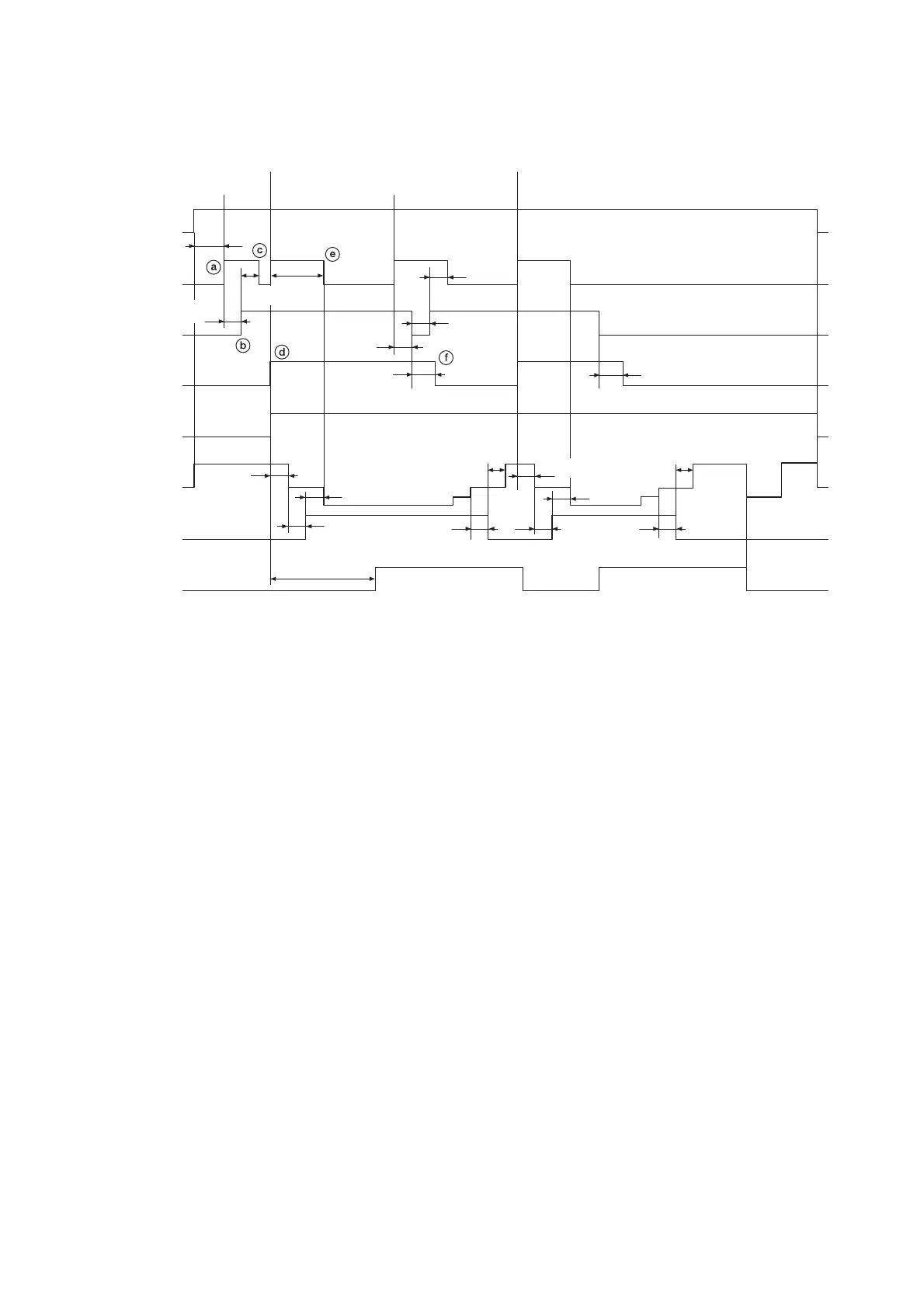
Timing chart 2-1-1 Paper feed from the drawer (A4, single-sided copy)
a: 200 ms after the drive motor (DM) turns on, the paper feed clutch (PFCL) turns on to start primary paper feed.
b: 340 ms after the paper feed clutch (PFCL) turns on, the registration switch (RSW) turns on.
c: 85 ms after the registration switch (RSW) turns on, the paper feed clutch (PFCL) turns off.
d: The paper feed clutch (PFCL) turns on at the same time, the registration motor (RM) turns on to start secondary paper
feed.
e: 280 ms after the paper feed clutch (PFCL) turns on, the paper feed clutch (PFCL) turns off.
f: 155 ms after the registration switch (RSW) turns off, the registration motor (RM) turns off.
DM
PFCL
RSW
RM
Dev.BIAS
Primary feed
Scondary feed
Primary feed
Scondary feed
Transfer
BIAS
Separation
charging
ESW
200 ms
340 ms
155 ms
40 ms
40 ms
40 ms
155 ms
10 ms
230 ms
220 ms
120 ms
85 ms
230 ms
280 ms
40 ms
1585 ms
260 ms
260 ms
10 ms
85 ms

Table of Contents

Other manuals for Kyocera KM-2550

Related product manuals