EasyManua.ls Logo

Kyocera TASKalfa 7002i - Page 527

Kyocera TASKalfa 7002i
1627 pages
Print Icon
To Next Page IconTo Next Page
To Next Page IconTo Next Page
To Previous Page IconTo Previous Page
To Previous Page IconTo Previous Page
Loading...
2WA/2NJ/2RK
4-199
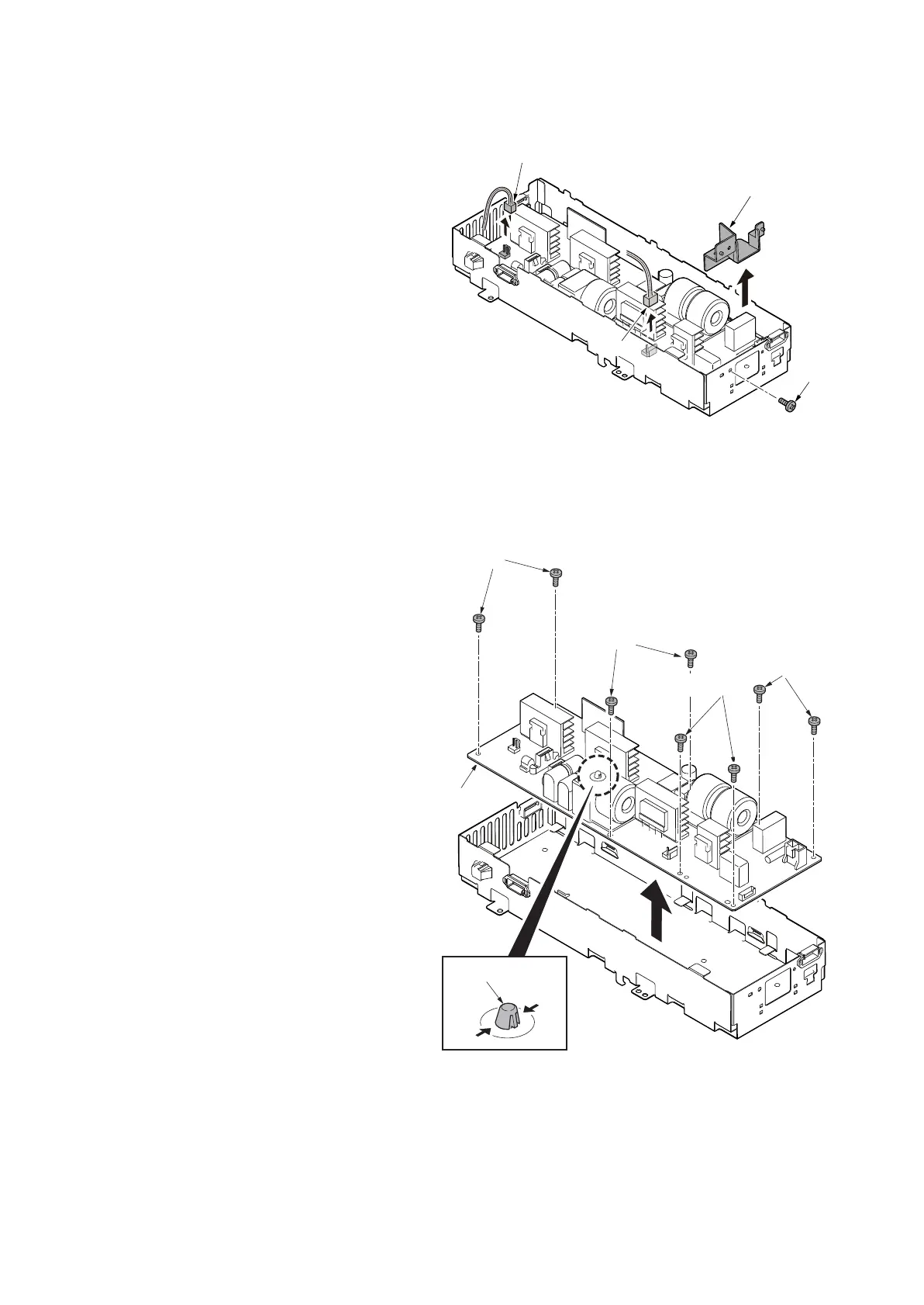
24. Disconnect two connectors (a).
25. Remove one screw (b)(M3x8) and
remove the duct (c).
Figure 4-298
26. Remove eight screws (a)(M3x8).
27. Release the board support (b) and
remove the IH PWB (c).
28. Check or replace the IH PWB (c) and
then reattach the parts in the original
position.
Figure 4-299
b
c
a
a
14j0430
b
c
a
a
a
a
14j0431

Table of Contents

Other manuals for Kyocera TASKalfa 7002i

Related product manuals