EasyManua.ls Logo

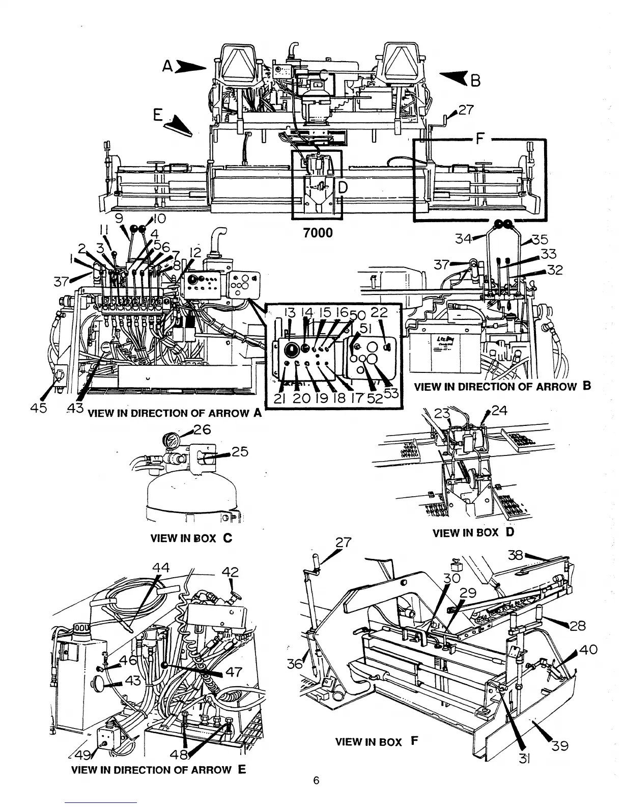
LeeBoy 7000 - View in Direction of Arrow; View in Box

Default Icon
83 pages
Print Icon
To Next Page IconTo Next Page
To Next Page IconTo Next Page
To Previous Page IconTo Previous Page
To Previous Page IconTo Previous Page
Loading...
~B
.. . ....
VIEW
IN
BOX D
VIEW IN
BOX
F
6
25
~
....
--F
......
---
VIEW IN
~OX
C
21
20
19
18
1752'53
43
VIEW
IN'
DIRECTION OF
ARROW
A
...
------
....
~
26
45

Table of Contents

Related product manuals