EasyManua.ls Logo

Lenze i510 Series

Lenze i510 Series
487 pages
To Next Page IconTo Next Page
To Next Page IconTo Next Page
To Previous Page IconTo Previous Page
To Previous Page IconTo Previous Page
Loading...
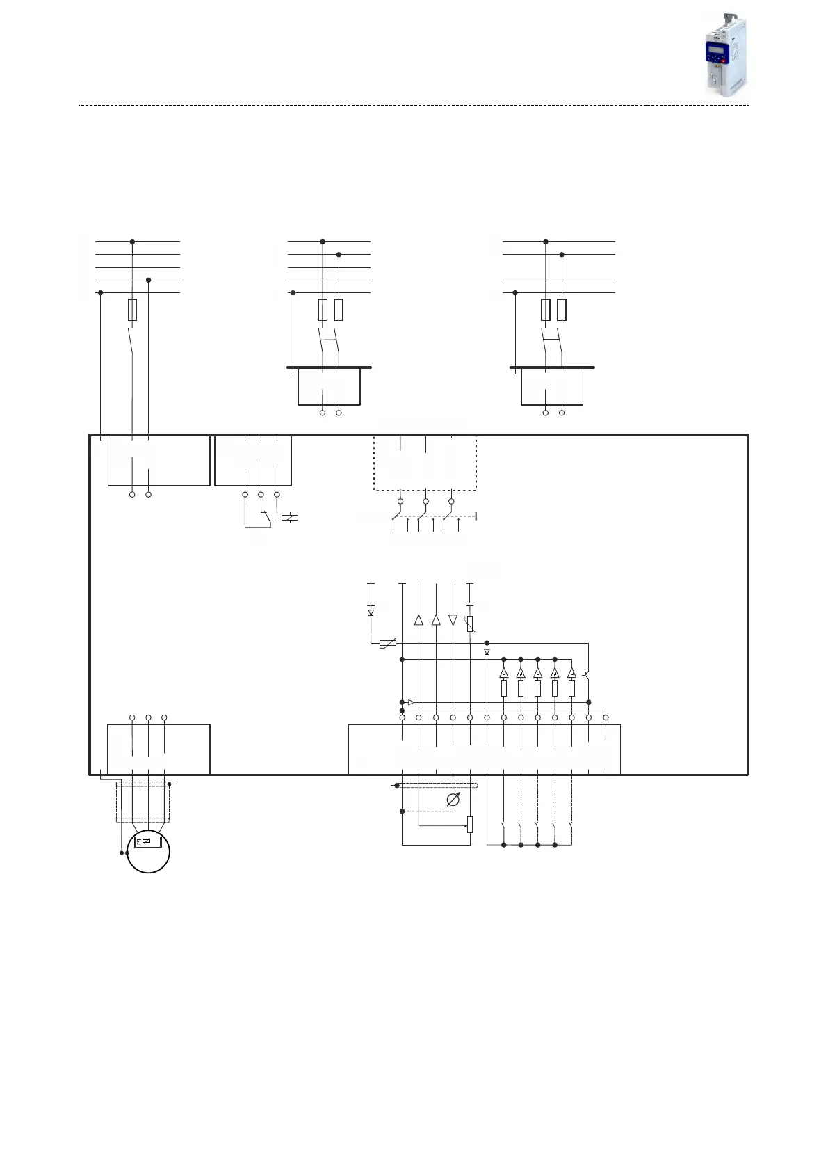
4.2 Mains connecon
4.2.1 1-phase mains connecon 230/240 V
4.2.1.1 Connecon plan
The connecon plan is valid for the inverters I51AExxxB.
CL/TA
CG/COM
CH/TB
X216
CANopen/Modbus
Modbus
CH
TB
CL
TA
CG
COM
1k ... 10k
0 ... 10 V
S1
"
100 mA
+24 V
Basic I/O
GND
DO1
4.4k
DI1
4.4k
DI2
4.4k
DI3
4.4k
DI4
4.4k
DI5
AI1
AI2
+10 V
10 mA
10V
GND
AO1
24V
X3
X105
U
V
W
+
"
M
3~
+
J
J
NC
NO
COM
X9
AC 240 V
3 A
F1
F3
Q1
X100
L1
L2/N
2/PE
AC 170 V ... 264 V
45 Hz ... 65 Hz
+
2/PE
AC 170 V ... 264 V
45 Hz ... 65 Hz
+
F1
F2
Q1
X100
L1
L2/N
X100
L1
L2/N
F1
Q1
PE
N
L2
L1
2/N/PE
AC 208 V ... 240 V
PE
N
L3
L2
L1
3/N/PE
AC 208 V ... 240 V
PE
N
L3
L2
L1
+
1/N/PE
AC 170 V ... 264 V
45 Hz ... 65 Hz
3/N/PE
AC 400 V
Fig. 1: Wiring example
S1 Start/Stop
Fx Fuses
Q1 Mains contactor
--- Dashed line = opons
Electrical installaon
Mains connecon
1-phase mains connecon 230/240 V
18

Table of Contents

Other manuals for Lenze i510 Series

Related product manuals