EasyManua.ls Logo

Lenze L-force E84A Series - Page 179

Lenze L-force E84A Series
308 pages
Print Icon
To Next Page IconTo Next Page
To Next Page IconTo Next Page
To Previous Page IconTo Previous Page
To Previous Page IconTo Previous Page
Loading...
Electrical installation
Devices i n the power range 0.25 ... 2.2 kW (1/N/PE AC 230 V)
Example circuits
6
179
EDS84ASC552 EN 10.0
PE
X100
F1
K
Z
NL1
L1
N
PE
V
T1 T2
X105
X106
"
Rb2
U
W
"
PE
+
+
F4
O
I
R
b
J
K
K
AR
A1U
A1I
A2U
A2I
GA
O1U
O1I
O2U
O2I
24O
DO1
DO2
DO3
GO
X3
X4
DC 24 V
0..10V
1k .. 10k
"
0 ...10 V
+10 V/
10 mA
DC 24 V
(+19.2 …+28.8 V)
"
NC
COM
NO
X101
Rb1
E84AV CxxxxH2
"
M
3~
PTC
R
b
"
M
3~
J>
"
Rb1
Rb2
+
+
3.3k
3.3k
3.3k
3.3k
3.3k
3.3k
3.3k
3.3k
24 V
X5
24E
24I
DI7
DI6
DI5
DI4
DI2
DI1
RFR
DI3
GI
(+19.2 …+28.8 V)
24B
GB
BD1
BD2
X107
(+19.2...+28.8 V)
M
"
DC 24 V
8400HLC023
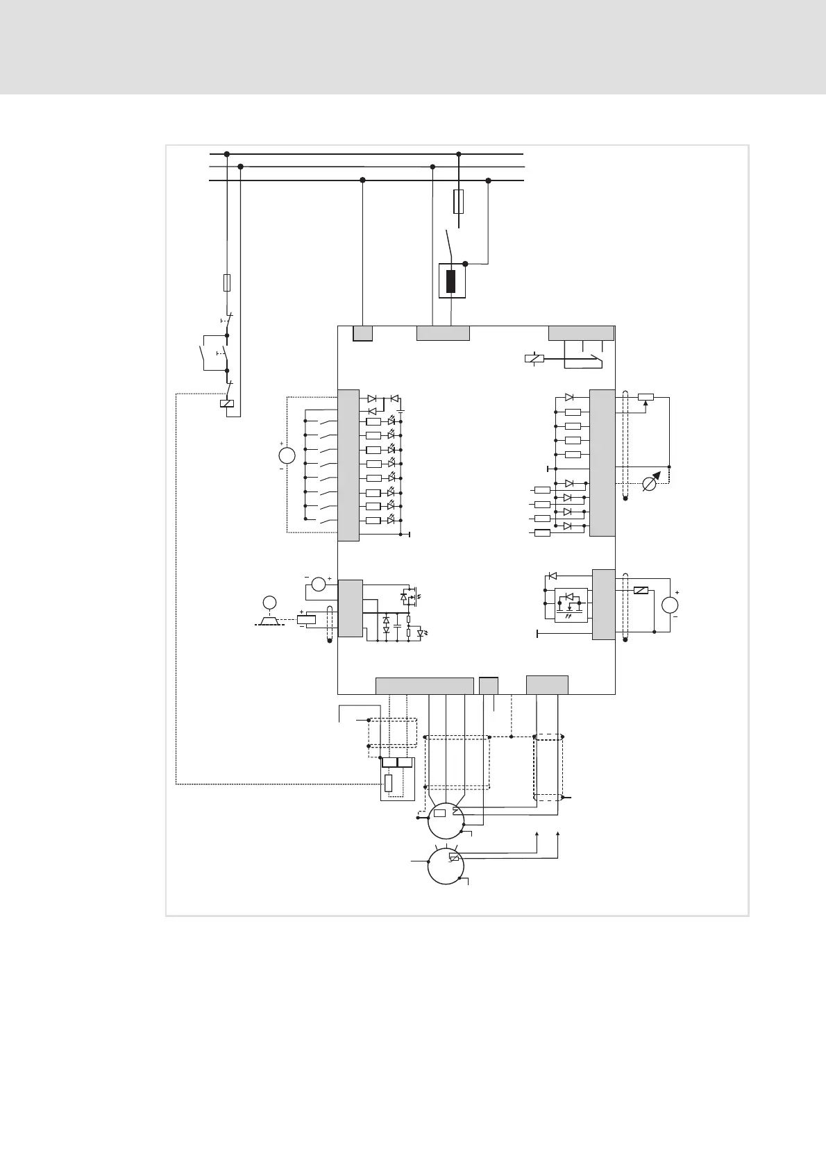
Fig. 6-9 Wiring for controllers in HighLine C design with 230-V mains connection

Table of Contents

Related product manuals