EasyManua.ls Logo

Leuze electronic BPS 307i - Mounting with BT 300-1 Mounting Device; Mounting with M4 Fastening Screws

Leuze electronic BPS 307i
95 pages
Print Icon
To Next Page IconTo Next Page
To Next Page IconTo Next Page
To Previous Page IconTo Previous Page
To Previous Page IconTo Previous Page
Loading...
Mounting and installation
Leuze electronic BPS 307i 42
6.2.6 Mounting with BT 300-1 mounting device
Mounting of the BPS with a BT 300-1 mounting device is intended for rod mounting. For ordering informa-
tion see chapter 14; for dimensioned drawing see figure 13.12.
Mount the BT 300-1 mounting device with the clamp profile on the rod (system-side).
Mount the BPS on the mounting bracket of the BT 300-1 with M4 fastening screws (included in delivery
contents).
Maximum tightening torque of the M4 fastening screws: 2 Nm
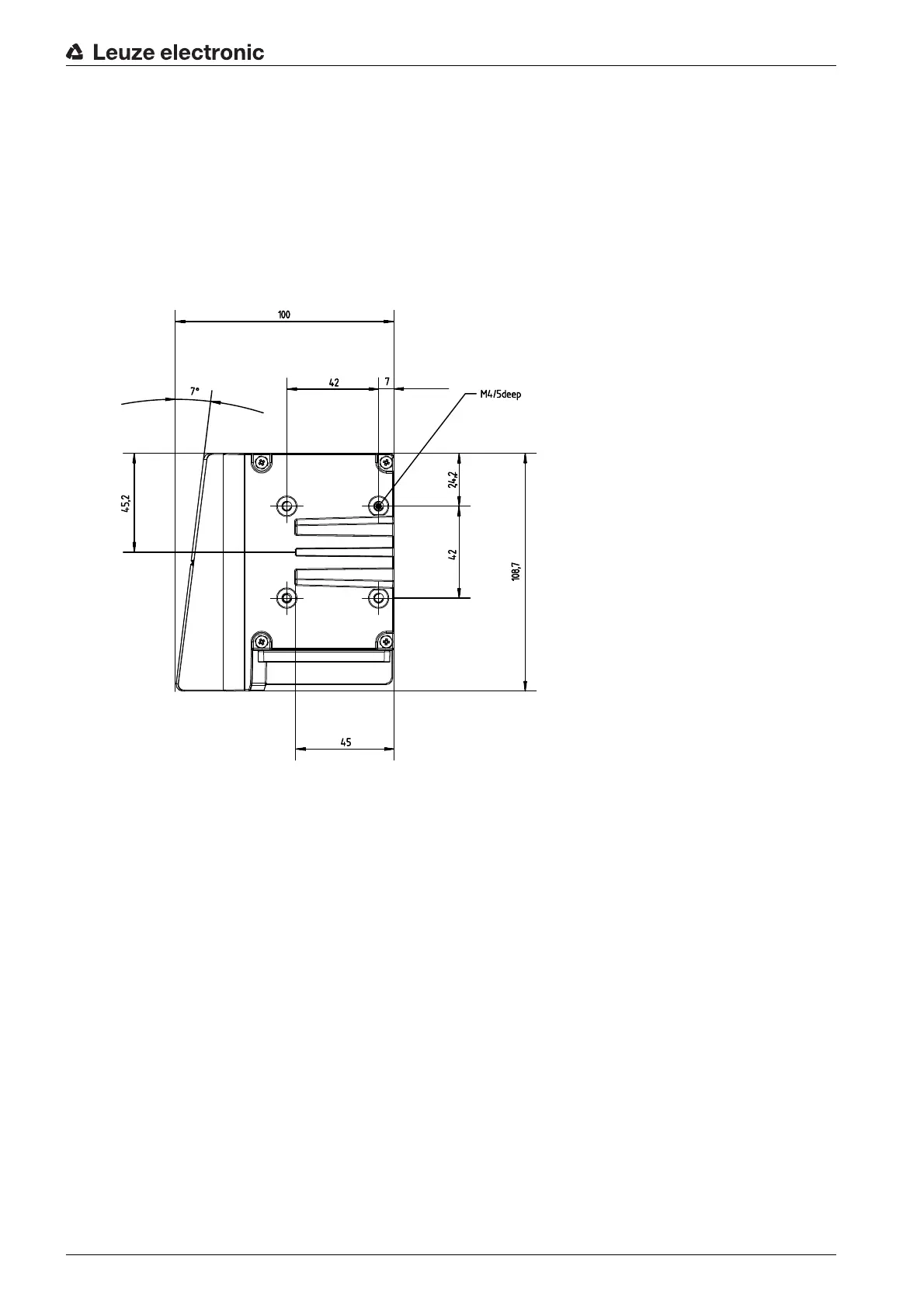
6.2.7 Mounting with M4 fastening screws
all dimensions in mm
Figure 6.11: Dimensioned drawing of rear of BPS
Mount the BPS on the system with M4 fastening screws (not included in delivery contents).
Maximum tightening torque of the fastening screws: 2 Nm

Table of Contents

Related product manuals