EasyManua.ls Logo

Leuze electronic BPS 307i - Page 86

Leuze electronic BPS 307i
95 pages
Print Icon
To Next Page IconTo Next Page
To Next Page IconTo Next Page
To Previous Page IconTo Previous Page
To Previous Page IconTo Previous Page
Loading...
Technical data
Leuze electronic BPS 307i 86
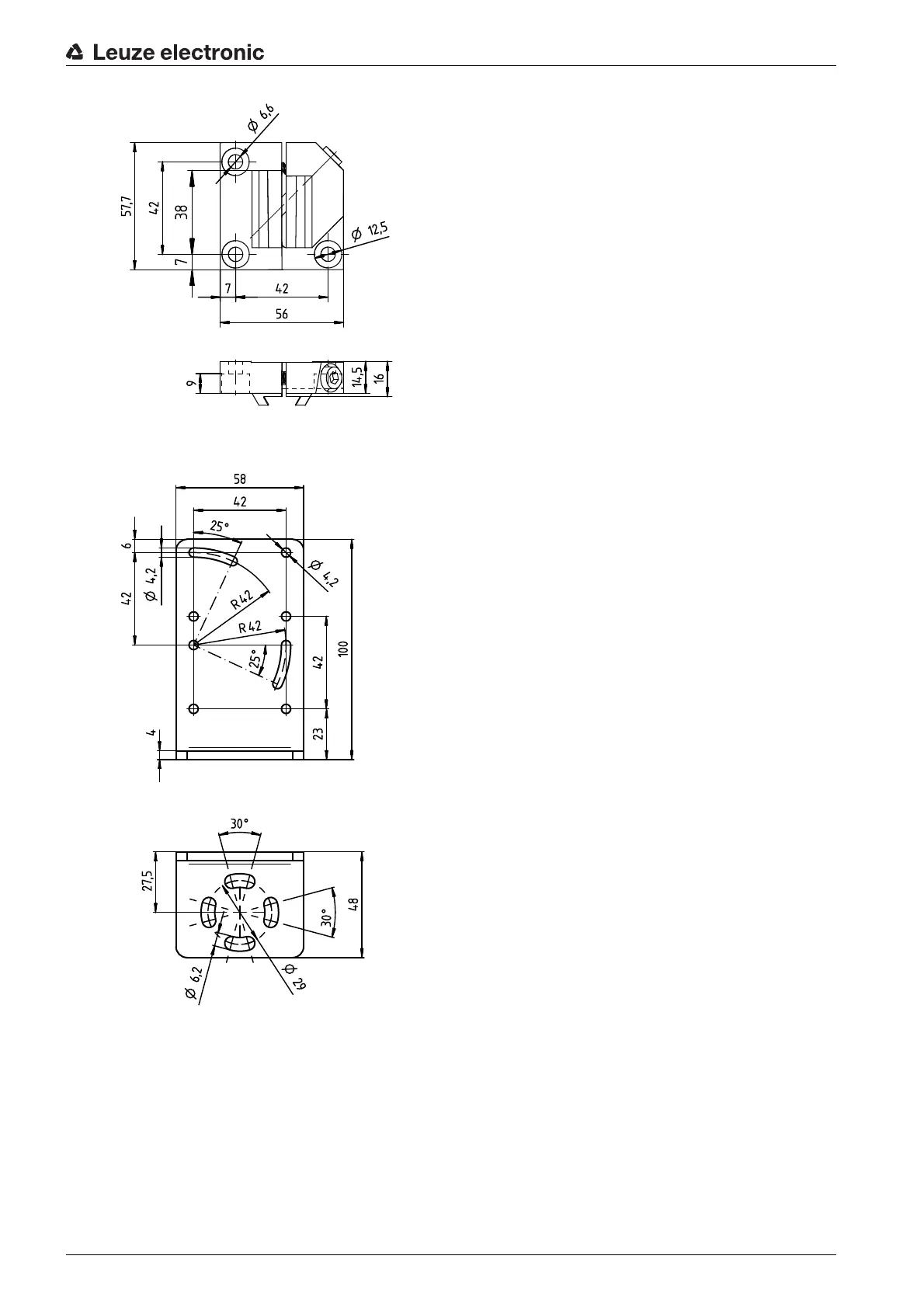
all dimensions in mm
Figure 13.9: Dimensioned drawing BTU 0300M-W mounting device
all dimensions in mm
Figure 13.10: Dimensioned drawing BT 300-W mounting bracket

Table of Contents

Related product manuals