EasyManua.ls Logo

Linde E30 - Page 87

Linde E30
168 pages
Print Icon
To Next Page IconTo Next Page
To Next Page IconTo Next Page
To Previous Page IconTo Previous Page
To Previous Page IconTo Previous Page
Loading...
Service Training
Section 2.6
Page 33
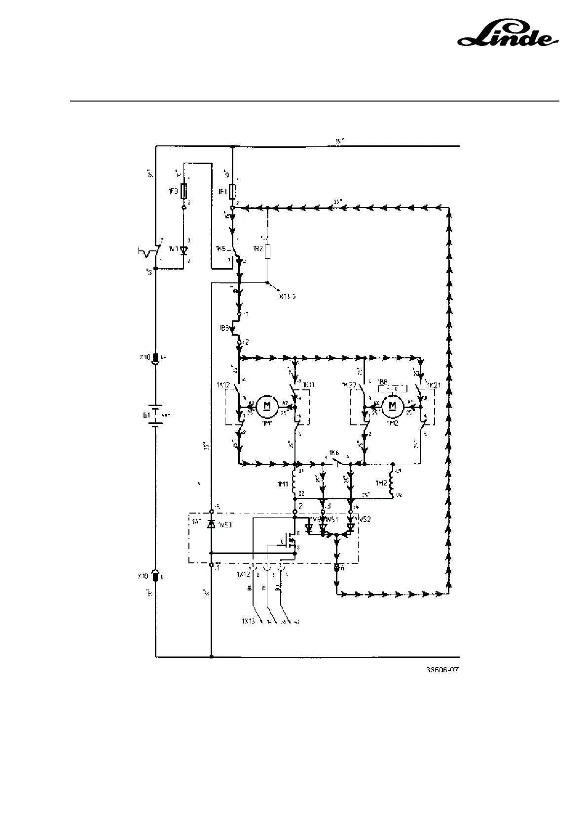
2.6.5.4.3 BRAKING CIRCUIT STAGE 3
When truck speed has dropped to 0.45 km/h, the regenerative current contactor 1K5 and circuit breaking
contactor 1K6 and the truck is braked to a standstill with plugging. The regenerative current flows over the
two brake diodes 1V51 and 1V52 and the contact of the open regenerative current contactor 1K5.
The generator voltage is regulated in the field winding by the current flow.
If the emergency stop switch is operated during braking, the generator current returns to the battery via fuse
1F3 and diode 1V1.

Table of Contents

Related product manuals