EasyManua.ls Logo

Lovol FR18E-u - Electric Schematic Diagram

Default Icon
134 pages
Print Icon
To Next Page IconTo Next Page
To Next Page IconTo Next Page
To Previous Page IconTo Previous Page
To Previous Page IconTo Previous Page
Loading...
Technical specifications
Technical specifications 7-
4
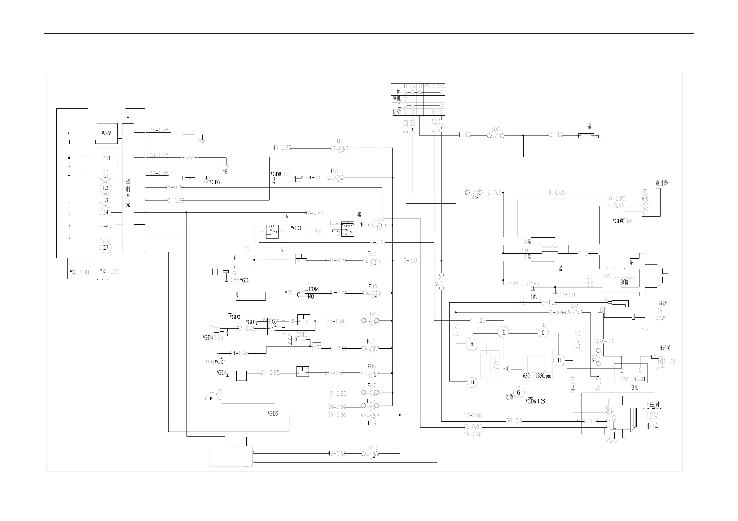
Electric schematic diagram
Monitoring
instrument
Instrument
p
owe
r
A
nd voltmete
r
Water
temperature
g
au
g
e
Fuel oil level gaug
e
and hour meter
(Speed display)
Oil pressure report
Alarm displa
y
charging display
Preheating
completion indicator
GPS lock indication
Fuel level alarm indication
High and low speed display
Water temperatur
e
alarm display
Meter
calibration
ground
(connected t
o
battery
negative)
High / low-spee
d
walking solenoi
d
valve
Horn
Swing ar
m
right light
Reserved
Oil suppl
y
pump
GPS control unit
Pilot on-off
solenoid valve
Pilot relay Pilot on-off switch
High / low-spee
d
relay
Horn relay
Start protection
relay
Locking relay
Start
Engine oil pressure
sensor
Fuel level Sensor
Water temperatu r
e
sensor
Start Switch
Put through
Shutdown
Pre-heating
Glow plug
Flameout valve tim
e
timer
Flameout solenoi
d
va
l
ve
Quick pull-in
Hold
Terminal ATerminal B
Terminal C
Terminal D
Flameout valv
e
relay
Diode reverse voltag
e
600V, forward current
Starter moto
r
12V 10KW
Engine spee
d
j
udgment
Mains switch
Battery
Generator
Safety Relays
Holde
r
for cigarette
lighte
r
Instrument
ground
(connected t
o
the main
p
owe
r
switch)