EasyManua.ls Logo

Lovol FR18E-u - Hydraulic Schematic Diagram

Default Icon
134 pages
Print Icon
To Next Page IconTo Next Page
To Next Page IconTo Next Page
To Previous Page IconTo Previous Page
To Previous Page IconTo Previous Page
Loading...
Technical specifications
Technical specifications 7-
5
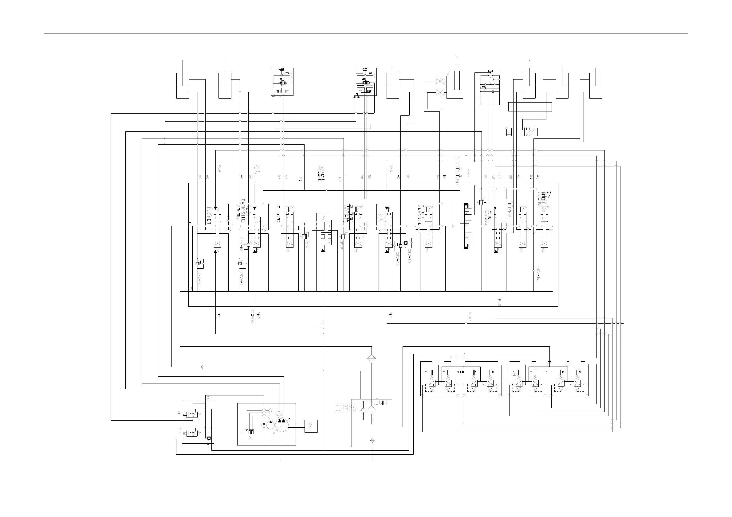
Hydraulic schematic diagram
铲斗
动臂
左行走马达
右行走马达
斗杆
破碎锤
回转马达
推土铲
架伸缩油缸
动臂侧摆油缸
i
h
e
f
b
ca
j
Bucket Boom Left travel motor Right travel motor Head rod
Hammer
Swing motor
Chassis
telescopic
cylinder
Boo
m
side swing
cylinder
Back
Walking (left)
Walking
(
ri
g
ht
)
Cycle
Confluence
Left
Right
Left handle
Front
Rear Left
Right
Right
handle
Front
Rear
Blade