EasyManua.ls Logo

Manitowoc Grove GRT8100 - Page 91

Manitowoc Grove GRT8100
340 pages
Print Icon
To Next Page IconTo Next Page
To Next Page IconTo Next Page
To Previous Page IconTo Previous Page
To Previous Page IconTo Previous Page
Loading...
2-45
GROVE
GRT8100 SERVICE MANUAL HYDRAULIC SYSTEM
2
Published 3/26/2018, Control # 596-05
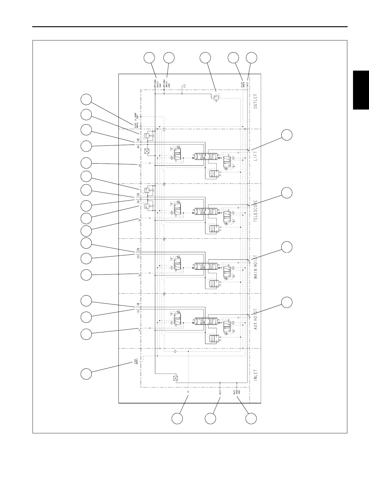
Main Directional Control Manifold Valve Cont.
FIGURE 2-21
8804-85
21 9
10
1920 11 12
5 63
4
15161718 7
8
14
13
24
27
21
28
7
22 252623

Table of Contents

Other manuals for Manitowoc Grove GRT8100

Related product manuals