EasyManua.ls Logo

Manitowoc Grove GRT8100 - Page 94

Manitowoc Grove GRT8100
340 pages
Print Icon
To Next Page IconTo Next Page
To Next Page IconTo Next Page
To Previous Page IconTo Previous Page
To Previous Page IconTo Previous Page
Loading...
HYDRAULIC SYSTEM GRT8100 SERVICE MANUAL
2-48
Published 3/26/2018, Control # 596-05
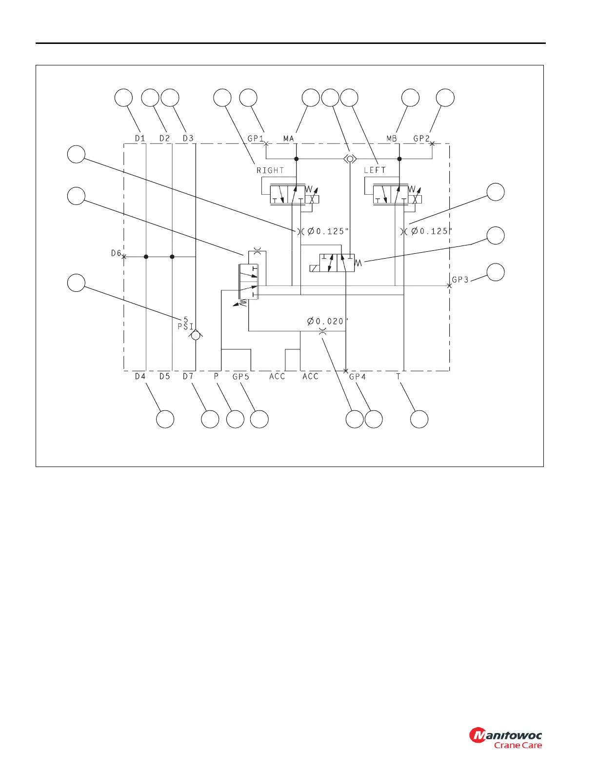
FIGURE 2-23
Swing Directional Control Manifold Valve
11
12 1356 1718 21 16
1
7
15
23
4
82223
14
19
20
10
9

Table of Contents

Other manuals for Manitowoc Grove GRT8100

Related product manuals