EasyManua.ls Logo

Marantz SR9600 - Page 144

Marantz SR9600
231 pages
Print Icon
To Next Page IconTo Next Page
To Next Page IconTo Next Page
To Previous Page IconTo Previous Page
To Previous Page IconTo Previous Page
Loading...
196
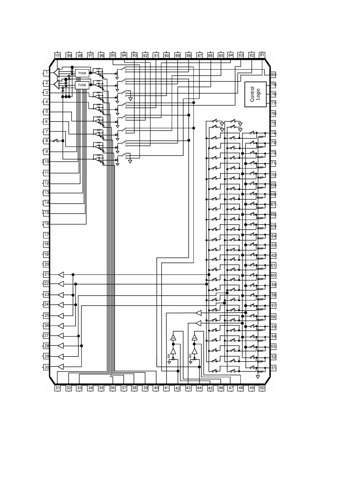
QM01 : NJW1157BFC2

Other manuals for Marantz SR9600

Related product manuals