EasyManua.ls Logo

Marantz SR9600 - Page 75

Marantz SR9600
231 pages
Print Icon
To Next Page IconTo Next Page
To Next Page IconTo Next Page
To Previous Page IconTo Previous Page
To Previous Page IconTo Previous Page
Loading...
91 92
V_STB
V_CLK
V_DATA
M_OSD_CE
5VL_SW
V_RTS
V_CTS
V_THRU
Y/C_THRU
MA_THRU
MB_THRU
DET_OUT
COMP_THRU
COMP_STB
OSD_CE
P0_HPRMV
WP0
WP1
HDMI_TX_INT
HDMI_RX_INT
HD+5V_SW
HDMI_AUD_SW
CEC_IN
CEC_OUT
V_SCLV_SCL
V_SDAV_SDA
L/RMUTE
CNTMUTE
SL/SRMUTE
SBMUTE
SWMUTE
MULTI1MUTE
MULTI2MUTE
VO LDATA
VOLCLK
CE_VOL
_RST_FLDAC
M0_DAC
M2_DAC
M3_DAC
M4_DAC
CLKMODE
AFDATA
AFCLK
CE_TCA
CE_TCB
CE_TCC
CE_M
P1_HPRMV
X S TATE
_XMODE
_CEDIR
DSPBSY
RERR
_DSPRST
_DSPCS
DSPREQ
DSPCLK
DSPDIN
DSPDOUT
D_A
_ATT
_OVFL
DIRDIN
2FS_AD
_RST_AD
DIG_SEL_I
DIG_SEL_H
DIG_SEL_G
DIG_SEL_F
DIG_SEL_E
DIG_SEL_D
DIG_SEL_C
DIG_SEL_B
DIG_SEL_A
CTS_M-IF
_TI_RST
TI_CE
CLKX_1_TI
DX1_TI
RX1_TI
CPU_SDA
CPU_SCL
TXD_M-IF
RXD_M-IF
DIG_SEL_A
DIG_SEL_B
DIG_SEL_C
DIG_SEL_D
DIG_SEL_E
DIG_SEL_F
DIG_SEL_G
DIG_SEL_H
DIG_SEL_I
_TI_RST
TI_MOUT_1
_RST_AD
CTS_M-IF
CLKX_1_TI
DX1_TI
RX1_TI
RXD_M-IF
TI_CE
TXD_M-IF
DSPBSY
DIR_INT
RERR
_CEDIR
_XMODE
XSTATE
_DSPRST
DSPREQ
_DSPCS
DSPCLK
DSPDIN
DSPDOUT
RTS_M-IF
V_TXD
V_RXD
HDMI_RST
HDMI_SCDT
5VL_SW
BI_AMP
MIC_DET
VD_OUT
M0_DAC
M2_DAC
M3_DAC
M4_DAC
CLKMODE
MIC_DET
ER_MUTE
_RST_FLDAC
MULTIAB_ON
MULTISPK_ON
SPKOUT_ON
_RST_SBDAC
DIG_SEL_J
DIG_SEL_J
_RST_SBDAC
_RST_SRDAC
_RST_SRDAC
_512_256fs
_512_256fs
DIRDIN
CEC_OUT
CEC_IN
HDMI_SCDT
HDMI_RST
V_SCL
V_SDA
HDMI_AUD_SW
P0_HPRMV
P1_HPRMV
WP0
WP1
HDMI_TX_INT
HDMI_RX_INT
HD+5V_SW
COMP_STB
OSD_CE
VD_OUT
V_SCL
V_SDA
V_RXD
V_TXD
V_STB
V_CLK
V _ DATA
M_OSD_CE
V_RTS
V_CTS
V_THRU
Y/C_THRU
MA_THRU
MB_THRU
DET_OUT
COMP_THRU
L/RMUTE
CNTMUTE
SL/SRMUTE
SBMUTE
SWMUTE
MULTI1MUTE
MULTI2MUTE
VOLDA TA
VOLCLK
CE_VOL
AFDATA
AFCLK
CE_TCA
CE_TCB
CE_TCC
CE_M
MIC_DET
ER_MUTE
BI_AMP
MULTIAB_ON
MULT ISPK_O N
SPKOUT_ON
_1394_BOOT
_1394_BOOT
TI_BUSY
TI_BUSY
SDMUTE
1394_SEL
CPU_SDA
CPU_SCL
D_A
_ATT
_OVFL
1394_SEL
SDMUTE
2FS_AD
2FS_AD
DIR_INT
TI_MOUT_1
RTS_M-IF
V_THRU
Y/C_THRU
MA_THRU
MB_THRU
DET_OUT
COMP_THRU
P0_HPRMV
P1_HPRMV
WP0
WP1
HDMI_TX_INT
Vss
HDMI_RX_INT
P1Vcc
HD+5V_SW
HDMI_RST
DIG_SEL_A
DIG_SEL_B
DIG_SEL_C
DIG_SEL_D
DIG_SEL_E
DIG_SEL_F
DIG_SEL_G
DIG_SEL_H
DIG_SEL_I
HDMI_SCDT
L/RMUTE
CNTMUTE
SL/SRMUTE
SBMUTE
SWMUTE
MULTI1MUTE
MULTI2MUTE
DIG_SEL_J
VOLDA TA
VOLCLK
CE_VOL
MULTIAB_ON
_RST_FLDAC
M0_DAC
M2_DAC
M3_DAC
M4_DAC
CLKMODE
_RST_SRDAC
MULTISPK_ON
_RST_AD
FS_AD
DIRDIN
_OVFL
_ATT
D_A
SPKOUT_ON
Vss
P97
P96
P95
P94
P93
P92
P91
P90
P47
P46
P45
P44
AVss
P43
P42
MIC_DET
BI_AMP
Vref
AVcc
DSPDOUT
DSPDIN
DSPCLK
DSPREQ
_DSPCS
DSPRST
PERR
DSPBSY
_CEDIR
_XMODE
P1Vcc
X S TATE
Vss
TEST
VCL
OSC2
OSC1
NMI
MD2
XTAL
Vss
EXTAL
Vcc
MD0
MD1
_STBY
_RST
AFDATA
AFCLK
CE_TCA
CE_TCB
CE_TCC
1394SEL
CEC_OUT
CEC_IN
CE_M
HDMI_MUTE
COMP_STB
SDMUTE
OSD_CE
_512_256fs
_1394_BOOT
VD_OUT
Vss
P2Vcc
RXD_M-IF
TXD_M-IF
CPU_SCL
CPU_SDA
V_SCL
V_SDA
V_RXD
V_TXD
RX1_TI
DX1_TI
CLKX_1_TI
V_STB
V_CLK
V_DATA
M_OSD_CE
5VL_SW
FSX1_TI
_RST_TI
_RST_SBDAC
DIR_INT
ERR_TI
RTS_M-IF
CTS_M-IF
V_RTS
V_CTS
HDMI_AUD_SW
GND
VCC
GND
VCC
GND
VCC
1
2
3
4
5
6
7
8
9
10
11
12
13
14
15
16
17
18
19
20
21
22
23
24
25
26
27
28
29
30
31
32
33
34
35
36
37
38
39
40
41
42
43
44
45
46
47
48
49
50
51
52
53
54
55
56
57
58
59
60
61
62
63
64
65
66
67
68
69
70
71
72
73
74
75
76
77
78
79
80
81
82
83
84
85
86
87
88
89
90
91
92
93
94
95
96
97
98
99
100
101
102
103
104
105
106
107
108
109
110
111
112
113
114
115
116
117
118
119
120
121
122
123
124
125
126
127
128
129
130
131
132
133
134
135
136
137
138
139
140
141
142
143
144
1
2
3
4
5
6
7
8
9
10
11
12
13
14
15
16
17
18
19
20
21
22
23
24
25
10
9
8
2
1
3
5
4
6
12
13
11
4
5
6
1
2
3
7
14
7
14
1
2
3
4
5
6
7
8
9
10
11
12
13
14
15
16
17
18
19
20
21
22
23
24
25
26
27
28
29
30
1
2
3
4
5
6
7
8
9
10
11
12
13
14
15
16
17
18
19
20
21
22
23
24
DTC124EU,RN1303
9
10
8
2
1
3
5
4
6
13
12
11
7
14
1
2
3
4
5
6
7
8
9
10
11
12
13
14
15
16
17
18
19
20
21
22
23
24
25
26
21
0.1u
47u/6
0.1u
0.1u
0.1u
0.1u
0.1u
0.1u
0.47u
22p
0
22p
47k
47k
47u/6
47k
0.1u
0.1u
47k
1k
10k
47k
47k
22k
22k
22k
22k
22k
22k
22k
47k
0.1u
dummy
dummy
100k
10k
10k
10k
10k
100p
47k
dummy
1k
0
dummy
1000p
100
QU01
CU02
CU01
CU12
CU10
CU09
CU07
CU06
CU03
CU11
CU13
RU07
CU14
RU06
RU04
CU08
JU02
RU05
QU05
QU06
QU06
QU05
QU05
QU05
QU05
CU04
QU06
CU05
RU01
QU02
QU03
RU03
RU02
JU01
JU04
RU15
RU16
RU08
RU09
RU10
RU11
RU12
RU13
RU14
QU04
RU17
XU01
QU07
QU07
QU07
QU07
CU15
QU07
JU03
RU18
RU19
RU22
RU23
RU24
RU26
RU25
EX81
EX82
EX83
EX84
EX85
EX86
EX87
EX88
EX89
EX90
EX92
EX93
EX94
EX96
EX97
EX98
EX99
EX100
EX101
EX102
EX103
EX104
EX105
EX106
EX107
EX108
EX109
EX111
EX112
EX113
EX114
EX115
EX116
EX117EX119
EX120
EX121
EX122
EX123
EX124
EX125
EX126
EX127
EX128
EX129EX131
EX132
EX133
EX134
EX241
EX242
EX243
EX244
EX245
EX246
EX248
EX249
EX250
EX251
EX252 EX254
EX255
EX256
EX257
EX258
EX259
EX260
EX261
EX262
EX263
EX271
EX272
EX273
EX274
EX275
EX276
EX277
EX278
EX279
EX280
EX281 EX284
EX285
EX286
EX287
EX288
EX289
EX290
EX291
EX292
EX293
EX294
EX295
EX296
CU16
RU27
RU28
RU29
RU30
RU31
CU65
RU65
HDMI_SD2
GND
HDMI_SD1
HDMI_SPDIF
HDMI_WS
HDMI_SD0
HDMI_SCK
HDMI_MUTEOUT
HDMI_SD3
HDMI_MCLK
HDMI_LRCLK
CEC_OUT
V_SDA
CEC_IN
V_SCL
HDMI_BCLK
HDMI_DATA
(PX14:HDMI PWB)
WP0
P1_HPRMV
HDMI_TX_INT
HDMI_RX_INT
HDMI_AUD_SW
P0_HPRMV
WP1
GND
HD+5V_SW
GND
DET_OUT
V _ DATA
GND
M_OSD_CE
V_RTS
V_STB
MB_THRU
Y/C_THRU
(PF14:VIDEO DECODER PWB)
SW_5VL
VD_OUT
MA_THRU
GND
V_THRU
V_RXD
V_CTS
V_SCL
COMP_THRU
NC
V_CLK
OSD_CE
COMP_STB
GND
V_TXD
V_SDA
SWMUTE
CE_VOL
VOLCLK
GND
L/RMUTE
CNTMUTE
VOLDA TA
MULTI2MUTE
MULTI1MUTE
AUD_MUTE
CE_TCB
GND
CE_TCC
AFDATA
(PS14:FUNCTION PWB)
SL/SRMUTE
CE_TCA
SBMUTE
AFCLK
CE_M
CE_TCD
HDMI_RST
HDMI_SCDT
GND
GND
to DSP PWB
[to 2/5]
[to 4/5]
[to 2/5]
[to 4/5]
[to 4/5]
[to 4/5]
[to 2/5]
[to 2/5]
[to 4/5]
[to 4/5]
[to 4/5]
[to 4/5]
[to 4/5]
[to 2,3/5]
[to 2,3/5]
TO JW06
[to 1,2/5]
[to 4/5]
[to 4/5]
[to 1/5]
[to 2,3/5]
[to 1/5]
[to 4/5]
[to 1/5]
[to 2/5]
[to 4/5]
[to 1/5]
[to 1/5]
[to 2,4/5]
[to 2/5]
[to 2/5]
[to 1,2/5]
[to 1,2/5]
[to 2/5]
[to 2/5]
[to 2/5]
[to 2/5]
[to 1/5]
[to 1/5]
[to 1/5]
[to 1/5]
[to 1/5]
[to 1/5]
[to 4/5]
[to 4/5]
[to 4/5]
[to 4/5]
[to 4/5]
[to 4/5]
[to 4/5]
[to 4/5]
[to 1/5]
[to 1/5]
[to 1/5]
[to 1/5]
[to 2,3/5]
[to 4/5]
[to 4/5]
[to 4/5]
[to 4/5]
[to 2/5]
[to 2/5]
[to 2/5]
[to 2/5]
[to 2/5]
[to 2/5]
[to 4/5]
[to 4/5]
[to 4/5]
[to 4/5]
[to 4/5]
[to 4/5]
[to 2/5]
[to 2/5]
MIC_DET
BI_AMP
MULT IAB_ON
SPKOUT_ON
MULTISPK_O N
ER_MUTE
[to 2/5]
[to 4/5]
[to 2/5]
[to 4/5]
TO JX05
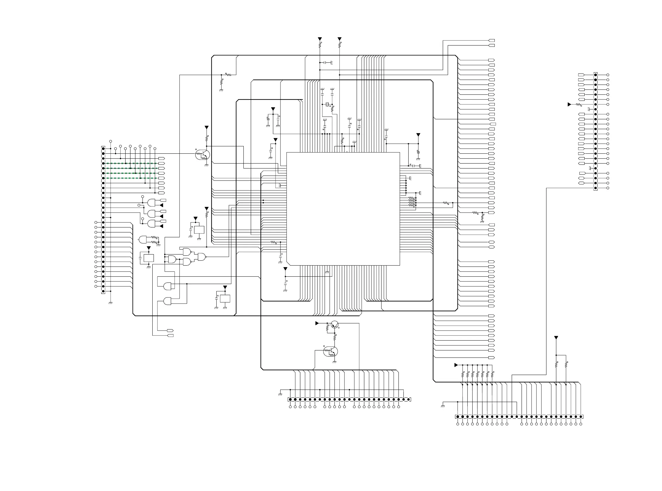
(PW24:MAIN CPU PWB)
TO JF07
TO JY02
DSP SUB CPU
P514
00MWI12AJ901-
[to 1/5]
AUD_MUTE
[to 4/5]
[to 4/5]
[to 4/5]
[to 4/5]
[to 4/5]
H8S/2505
GND
GND
+3.3VL
GND
GND
GND
GN
D
GND
+5VL
GND
GND
GND
GND
GND
GND
GND
GND
GND
+3.3VL
+3.3VL
+5VL
GND
GND
25FMN-BMT-A-TFT
GND
GND
HDMI_MCLK
DA_SCLK
DA_LRCLK
DA_DATA0
HDMI_SCK
HDMI_WS
HDMI_SD0
HDMI_SD1
HDMI_SD2
HDMI_SD3
HDMI_SPDIF
DIG_SEL_I
DIG_SEL_H
DIG_SEL_G
DIG_SEL_F
DIG_SEL_E
DIG_SEL_D
DIG_SEL_C
DIG_SEL_B
DIG_SEL_A
_ATT
2FS_AD1
_RST_AD
_TI_RST
TI_CE
CTS_M-IF
RXD_M-IF
CLKX_1_TI
RX1_TI
_CEDIR
_XMODE
DSPBSY
DSPCLK
_DSPCS
_DSPRST
DSPDOUT
CPU_SCL
D_A
DSPDIN
DSPREQ
XSTATE
RERR
DIR_INT
TXD_M-IF
DX1_TI
TI_MOUT_1
_OVFL
CPU_SDA
RTS_M-IF
_SUB_CPU_RST
_SUB_CPU_DL
+3.3VL
74VHCT00
TC74VHC08FT-EL
TC74VHC08FT-EL
74VHCT00
74VHCT00
74VHCT00
SUB_DL_TXD
+5VL
GND
GND
SUB_DL_RXD
GNDGND
+3.3VL
+3.3VL
2SA1588-Y(TE85L)
DTC124EUA T106
GND
+5VL
MRAC_DL_RXD
1394_DL_RXD
SUB_DL_RXD
1394_DL_TXD
MRAC_DL_TXD
SUB_DL_TXD
+3.3V
GND
_1394_CPU_RST
_1394_CPU_DL
_MRAC_CPU_RST
_MRAC_CPU_DL
_SUB_CPU_RST
_SUB_CPU_DL
USB_PLL_UNLOCK
USB_CCE
USB_CSDAI
USB_CSDAO
USB_CSCL
GND
USB_MUTE
CPU_SDA
CPU_SCL
30FMN-BMTTN-A-TFT
24FMN-BMT-A-TFT (JST)
+3.3VL
+5VL
GND
+5VL
M0_DAC
M2_DAC
M3_DAC
M4_DAC
CLKMODE
MIC_DET
SMD-49 12.288MHz
ER_MUTE
_RST_FLDAC
dummy
dummy
dummy
dummy
GND
+3.3V
+3.3V
+3.3V
+3.3V
GND
26FMN-BMT-A-TFT
_RST_SBDAC
DIG_SEL_J
_RST_SRDAC
_512_256fs
DIRDIN
GND
GND
_1394_BOOT
TI_BUSY
1394_SEL
SDMUTE
GND
GND
1394_DL_EN
P514-3/4
P514-3/4

Other manuals for Marantz SR9600

Related product manuals