EasyManua.ls Logo

Marantz SR9600 - Page 87

Marantz SR9600
231 pages
Print Icon
To Next Page IconTo Next Page
To Next Page IconTo Next Page
To Previous Page IconTo Previous Page
To Previous Page IconTo Previous Page
Loading...
115 116
IN
GND
OUT
VIN
GND
VOUT
OUT
GND
IN
OUT
GND
IN
1
2
1
2
3
1
4
2
3
KTA1271
1
2
3
1
2
3
1
2
3
1
4
5
6
8
9
1
3
2
1
1
2
3
4
5
6
7
3
1
14
13
12
11
1
2
3
3
2
1
1
2
3
4
5
6
7
8
9
10
1
2
3
4
5
6
7
8
9
10
1
2
3
4
5
6
7
8
9
1
1
2
3
1
2
3
1.5k
47k
470p
100u/100
30V
10u/100
10u/100
1/6W22
100k
330
1/4W1
0.1u
100u/16
0.1u
0.1u
18k
4.7u/50
0.1u
100u/16
0.1u
1000u/35
47k
0.1u
100u/16
0.1u
4700u/25
1/6W2.2k
0.01u
0.01u
0.1u
0.01u
DB18
JB15
QB13
RB23
DB19
DB20
DB17
DB26
RB22
LB05
CB23
QB14
CB18
QB11
DB23
CB20
CB21
RB17
QB12
DB21
DB22
RB15
RB16
RB14
TB02
DB11
CB09
CB14
CB06
CB08
RB12
DB16
DB05
CB05
CB16
CB17
CB15
CB07
DB13
DB15
DB07
QB08
JB19
DB10
TB01
RB13
CB13
DB09
DB08
CB10
DB06
QB07
CB12
DB12
CB11
DB14
RB11
JB16
JB17 JB18
DB25
JB21
CB25CB26
CB27CB28
J820
QB09
QB10
RB10
DB24
UB01
UB02
UB04
UB03
1D3
B2P3-VH
KRC102M
1D3
1D3
1D3
1D3
SDT-S-105LMR
KTD600K
KTA1268
1SS133
1SS133
1D3
1D3
1D3
D-GND
1D3
1D3
8.2V
KIA7812API
B7B-PH-K-S
1D3
1D3
1SS133
1D3
PST600D-2
1D3
1D3
B3P5-VH
B10B-PH-K-S B10B-PH-K-S
1D3
B9B-PH-K-S
EARTH
BA05T
BA033T
33V
M
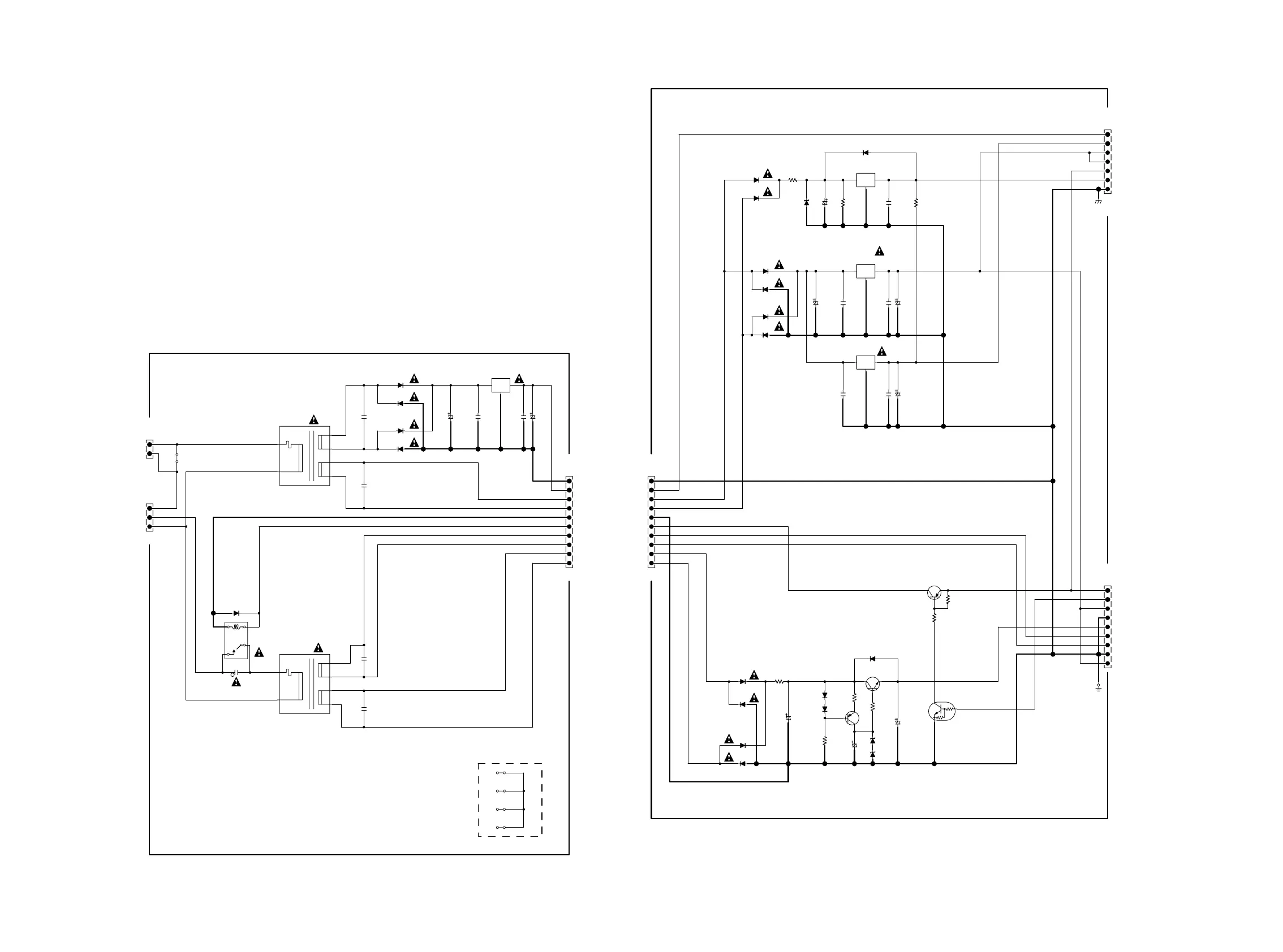
(P334:PRIMARY PWB)
TO J8P1
+3.3VL
+3.3VL
(P814:REG1 PWB)
+5VL
GND
+12VL
+12VL
+5VL
_P_DOWN
P834
00MWA12AJ603-
+12VL
GND
AC 8V
AC 44V
AC 5V
AC 44V
GND
AC 8V
AC 5V
RELAY
P844
00MWA12AJ604-
FOR BACKUP
FOR FLD
TO JB02
TO J803
(PC14:FRONT PWB)
TO JC01
(P894:POWER SW PWB)
FLD/BACKUP TRANS
FLD/BACKUP POWER
+5VDD
+5VL
(W/HEAT SINK 00M309V267010 H:25mm)
FL2
+5VL
+5VDD
+VKK
FL1
PURE_LED
GND
GND
+5VLED
JUMPER 7.5mm U only
U
N
K
F
Version
P834, P844
P834, P844

Other manuals for Marantz SR9600

Related product manuals